Paso 54: Software: Cómo funcionan los sensores IR

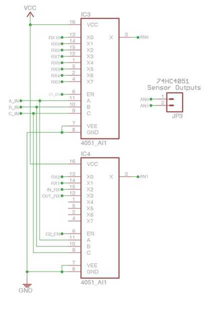
Cada controlador de Pod de RGB contiene a dos multiplexores de 8 canales 74HC4051 que nos dan un total de 16 pines de entrada. Si nos fijamos en el esquema RGB Pod controlador, verá que cada controlador utiliza sólo 12 de los pines de entrada de su lado de la mesa (10 de las vainas RGB) y 2 para la lavadora de la bola. En otras palabras, utilizamos un total de cuatro multiplexores 74HC4051 controlar 24 entradas. Ahora sé lo que estás diciendo, "¿por qué no sólo uso tres 74HC4051s para el control de todas las líneas de 24? No es 8 entradas por chip y un total de 24 entradas lo necesitan (24 entradas / 3 chips = 8 entradas por chip)? ". Así que sería un gran trabajo pero los controladores de Pod de RGB son dos PCBs separados y no quería compartir el 3er 74HC4051 multiplexor entre ambos. Si compartimos, los PCB no sería idénticos como un PCB tendría dos 74HC4051s en él y el otro PCB sólo tendría uno, lo que significa un rediseño completo de los PCBs. viendo como estas virutas son unos $0,60 una pieza, podía justificar usando un chip extra para mantener las cosas más simples.
Para leer los valores de los sensores IR, es necesario sondear a través de cada 74HC4051 multiplexor y leer los datos de cada perno de la entrada que tiene un sensor de infrarrojos conectado a la misma. En el siguiente paso voy a explicar cómo hacerlo.