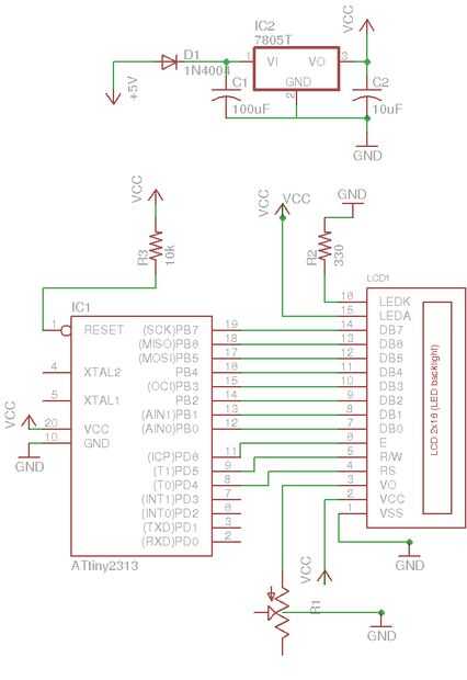
AVR LCD distintivo (2 / 12 paso)

Paso 2: El esquema

He conectado el esquema de eagle.  Sienta libre de dejarme saber sus opiniones acerca de él en los comentarios, soy muy nuevo en águila, por lo que sé podría ser mejor.  Estudiarlo suficiente para saber qué pasa.

Artículos Relacionados

Conectar Nokia 3310 LCD al USB usando AVR

Conectar Nokia 3310 LCD al USB usando AVR

¿Qué haces con un teléfono antiguo, un microcontrolador y un montón de tiempo?Usted gancho pantalla de LCD de teléfono antiguo para el USB de la computadora por supuesto!En este proyecto a que vamos comunicar con un display de Nokia 3310 LCD por el p
Cómo interfaz 16 X 2 LCD con el Microcontrolador AVR

Cómo interfaz 16 X 2 LCD con el Microcontrolador AVR

aquí está el diagrama del circuito de interface 16 X 2 LCD al Microcontrolador AVR. En este circuito, el oscilador de cristal dará el reloj en el microcontrolador. Los condensadores conectados a la voluntad de cristal actúan como filtros y ayudar el
Cómo controlar un 16 x 2 LCD usando un ATtiny2313 AVR

Cómo controlar un 16 x 2 LCD usando un ATtiny2313 AVR

si usted está recibiendo sólo en microcontroladores hay mucho saber ya que es probable que descubrió. Hay un montón de buenos tutoriales en línea para el Atmel AVR y lo más probable es que con ver algunos de los por ahora. Recientemente se metió en m
Baratos al tablero del desarrollo de AVR/51

Baratos al tablero del desarrollo de AVR/51

descubrí recientemente STC microcontroladores producidos por TSMC. Ser curioso sobre estos microcontroladores comencé buscando una placa de desarrollo para ellos.Después de algunas búsquedas en google / ebay / AliExpress / decidí comprar este PCB que
ATmega16/32 desarrollo junta con LCD

ATmega16/32 desarrollo junta con LCD

este instructable muestra, cómo hacer tu propia tabla de desarrollo para procesadores Atmega16 o Atmega32. Internet está lleno de consejos de desarrollo hecha en casa, pero creo que hay espacio para otro. Esta tabla ha sido muy útil en mis proyectos
BRICOLAJE TV de pantalla LCD con Arduino y mando a distancia inteligente

BRICOLAJE TV de pantalla LCD con Arduino y mando a distancia inteligente

En los pasos siguientes, usted hacer un DIY "TV" con el código para un smart remote y realmente vídeos y posiblemente incluso conectar el mando a distancia inteligente a la placa de base real.Materiales:Espejo de papelEstabilizador sólido y no f
AVRelay - auto programación consola pocket AVR

AVRelay - auto programación consola pocket AVR

¡ Hola!Quiero mostrarle mi proyecto "AVRelay". Es un ordenador de bolsillo mini AVR. Carga sistema de arranque por lo que es capaces de cargar desde SD card juego o aplicación. En video se puede ver la versión anterior del sistema, ahora tiene G
Montando el jinete de dragón 500 para uso con el dragón del AVR

Montando el jinete de dragón 500 para uso con el dragón del AVR

no hace mucho tiempo la empresa Atmel salió con una gran herramienta para el uso con la línea AVR de microcontroladores llamado el dragón del AVR. Este pequeño dispositivo USB proporciona a profesionales y aficionados por igual la capacidad para util
Como usar un LCD a Color Nokia!

Como usar un LCD a Color Nokia!

Nokia fabrica una gran variedad de teléfonos celulares y muchos de sus teléfonos más baratos contienen simple LCD que puede ser utilizado en proyectos de microcontrolador.  Hay un particular modelo de LCD que se utiliza en una amplia variedad de sus
Un enfoque avanzado de programación de Arduino y AVR

Un enfoque avanzado de programación de Arduino y AVR

Este instructable es obligada lectura para todo aquel que esté familiarizado con núcleo AVR virutas y Arduino.Bien, para ser más específicos, al leer el instructivo, usted será capaz de:1) saber la diferencia correcta entre el AVR y Arduino.2) progra
RGB LCD Shield para Arduino 65K color KIT V2 Asamblea guía

RGB LCD Shield para Arduino 65K color KIT V2 Asamblea guía

protector de la pantalla RGB para Arduino 65K color KIT incluye todos los componentes para armar una lista para usar protector de pantalla LCD para Arduino y placas compatibles como Freeduino.(visita http://store.nkcelectronics.com/rgb-lcd-shield-for
Registrador de datta coche protocolo usando OBD II (atmega 2560 + SD card + lcd 16 x 2)

Registrador de datta coche protocolo usando OBD II (atmega 2560 + SD card + lcd 16 x 2)

OK en primer lugar que este fue un proyecto final para mi curso de microprocesador en mi universidad y su previsto para aclarar y guiar a alguien tiene un similar proyecto o simplemente quieres hacerlo y aprender, puesto que cuando estaba haciendo es
Construir un sistema completo de AVR y jugar Mastermind!

Construir un sistema completo de AVR y jugar Mastermind!

El juego Mastermind ha sido alrededor de mucho tiempo, y recuerdo que conseguir una versión de la placa con las clavijas de colores cuando era un niño. Me encanta este juego, ya que es solucionable simplemente por pura lógica. Un jugador (o un equipo
AVR Transistor Tester

AVR Transistor Tester

Recientemente Gearbest tienda me dio la oportunidad de escribir sobre otro producto que venden.Por lo tanto, decidí continuar mi exploración en campo analógico de microcontroladores con otro proyecto:Probador de Transistor M12864 DIY que pueden adqui