Paso 12: Elegir una fuente adecuada


Como ya he mencionado, siempre probar prototipos de circuitos de audio con las baterías como el bloque de 9V, aunque quiero un dispositivo conducido de la red. Esto es sólo una manera de deshacerse de los problemas de zumbido de red en la fase de prueba de un proyecto, que se producen debido a la conexión eléctrica a la red.
Por ahora el 9V se dan, pero puede cambiar más tarde cuando actualize el aparato con un convertidor de AC DC como fuente de alimentación.
Tenemos que tener una mirada en la hoja de datos de nuestros componentes activos: ambos funciona con alimentación única de 9V!
PERO: solamente el LM386 que trabajo con un suelo hace referencia a la entrada (no DC es necesaria para evitar la saturación de la señal)
El LM358 trabaja con una sola fuente, pero la señal debe ser positiva en todos los puntos de tiempo = por encima de la línea de 0V. La salida del cartucho es, si los pernos de la tierra corresponden a suelo, positivo y negativo. Tenemos que añadir un voltaje de C.C., para elevar la señal en un rango apropiado: normalmente 1/2 * tensión de alimentación es elegido.
Esto puede ser realizado con un divisor de suministro / virtual circuito de tierra.
Yo siempre uso una de las dos maneras siguientes para conseguir el voltaje dividido:
1. la forma más fácil es simplemente usar un IC, que se divide la tensión de alimentación hasta las correspondientes tensiones 0V tensión de alimentación y tensión de alimentación de 1/2. Un IC posible, que me gusta usar, porque es tan simple, es el separador de alimentación de TLE2426 de TI. Esto se puede construir encima en un circuito para reducir el ruido que se muestra arriba y dará una tensión de alimentación dividido confiable. Este IC funciona sobre una amplia gama de fuentes posibles y es muy fácil de implementar.
Ficha técnica: http://www.ti.com.cn/cn/lit/ds/symlink/tle2426.pdf
[6] imagen

2. una desventaja es el alto precio de este IC. También se puede considerar sobre la construcción de la funcionalidad del ICs con varias resistencias, condensadores y un opamp. Partir de la fuente no es gran cosa, así que esto también puede ser una buena manera de obtener el resultado. Un divisor de suministro funciona básicamente como un simple divisor de tensión de dos resistencias de igual tamaños entre la fuente y la tierra. La fuente es dividida para arriba en medio de las resistencias a 1/2. Esta tensión ahora es conducida a través de un opamp de seguidor de voltaje para desvincular el voltaje de las resistencias, los voltajes son impulsados por la baja impedant de la salida de lo opamp. Además, siempre hay algunos condensadores de este tipo de circuito para cortocircuitar todas las piezas no-DC a tierra.
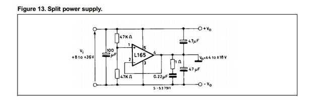
El L165 IC es un opamp de gran potencia, corrientes hasta 3A y viene con una versión de la hoja de datos de un divisor de alimentación. Excepción de la desventaja, que el opamp puede llegar a ser muy caliente (quemé mi nariz una vez! no preguntes cómo = D) y que el opamp necesita suministro de 8V min., este circuito es muy bueno también.
Hoja de datos: https://www.tu-chemnitz.de/etit/zentral/ddr/ds/L16...
Usa el TLE2426 al principio, pero se rompió mi último IC. Eso es por qué tenía que cambiar para el segundo circuito con L165 luego.
Cuento largo: ambos están trabajando bien con mi circuito preamplificador!