Paso 34:









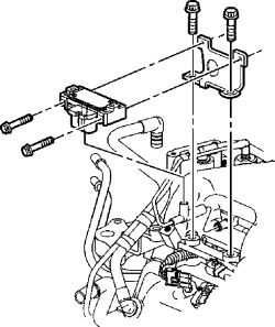
Ahora dar la vuelta y apriete todos los pernos de 10mm y la tuerca de 13mm/montante en el colector de 18 pies lbs en un patrón X, asegúrese de que ponga la abrazadera que sujeta el arnés de cableado en el lado delantero del pasajero primero luego par abajo. Ahora apriete el soporte del sensor del mapa hasta 18 pies libras y los pernos del sensor del mapa también. Comprobar que todos los tornillos son apretados abajo!
Ahora que han atornillado el soporte con el arnés de cableado en su lugar todos los enchufes del sensor deben estar en zonas comunes allí. Conecte las dos correas en el lado del pasajero de la Asamblea encendido, uno es en la parte trasera en la parte inferior del sensor de O2, el otro va en el ensamble de la bobina. los otros dos Haz conectados en el lado del conductor de la Asamblea de la bobina, que obtiene enchufado en la conexión inferior debe ser pegada a su varilla trans, quite la cinta y enchúfelo en el ensamble de ignición.













