Paso 14:





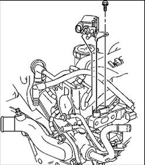
TIP: A pesar de todas estas partes deben salir si va a reemplazar el múltiple de admisión superior, puede ahorrarse algo de tiempo y frustración por mantener ambos de estos elementos en el múltiple, una vez el colector es eliminado forma el coche que es más fácil para tomar estos artículos OFF/PUT ellos ON el nuevo superior ingesta múltiple. la válvula EGR debe tener una junta nueva en y la válvula debe ser limpiado antes que poner se en el nuevo múltiple. para la válvula EGR, hay uno 10mm o 13mm (recuerdo, que uno es) perno sosteniendo la manguera de los gases de escape a la válvula EGR, destornille la manguera y tire de la manguera. tendrá alguna fuerza para arrancar una vez que el perno está fuera de él se deslice apagado, si quieres spray algunos WD40 en el tubo de metal y meneo alrededor y luego tratar de llevarlo a cabo.
Consejo: Asegúrese de que están grabando los pernos a las partes que se atornillan a, o tomar un montón de fotos de los robots y las piezas que van a.













