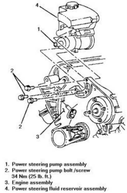
Paso 19:




Una vez que todos los pernos se quitan, tire hacia arriba y coloque la bomba de la servodirección al lado, puede que tenga que quitar las líneas de duro que ir a lo de sus clips que sujetan en su lugar, sólo recuerde de las ilustraciones donde van.













