Paso 13:



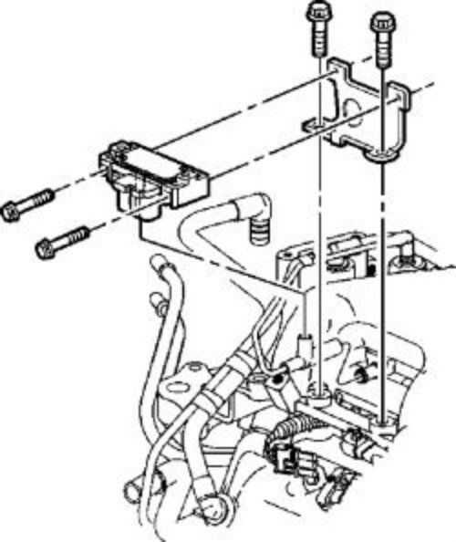
al quitar este tubo ponerlo a un lado y no olvidar donde lo pones, sólo pongo en mi parabrisas por lo que pude ver que esto tiene que ir a algún lugar cuando inicio todo lo que se asemeja.
al quitar este tubo ponerlo a un lado y no olvidar donde lo pones, sólo pongo en mi parabrisas por lo que pude ver que esto tiene que ir a algún lugar cuando inicio todo lo que se asemeja.