Paso 1: Esquema eléctrico

Cuando empecé con este proyecto, yo no sabía mucho sobre cargadores de baterías de ácido de plomo y necesarias para informar a mí primero para hacer este proyecto un éxito. Así que como de costumbre, yo busqué en Google hasta que los cables empezaron a fumar.
Encontré muchos circuitos de cargador que tiene cerca de mis necesidades. Puede encontrar ejemplos aquí o en este sitio. Sin embargo, ninguno de los dispositivos podrían cargar dos baterías al mismo tiempo.
Este cargador Me pareció muy interesante, ya que utiliza un diseño pulido con un IC555 como el chip principal. El circuito fue construido para cargar una sola batería, usando el IC555 como un comparador. Aseado. Me comunicó con el autor y comenzó un diálogo sobre cómo construir un diseño de dos. Gracias al autor por sus valiosos comentarios. Por mis preguntas publicó un blog que tenía el diseño que sugiere para dos baterías con algunas adiciones de menor importancia.
Sin embargo, después de pensarlo un poco, llegué a la conclusión que incluso este diseño no era apto para cargar dos baterías sin limitar la corriente a la mitad la actual capacidad de la fuente de alimentación de carga. Por ejemplo, tenía una fuente de alimentación 15 V/5 A que era lo suficientemente grande como para cargar una batería en un momento en 5 A. Sin embargo, cargar dos baterías a 5 A sobrecargar la fuente. Al cargar dos baterías, sería romper la tensión de salida de mi fuente particular, el IC555 perdería energía y tiraron toda la funcionalidad del dispositivo. No es una receta bastante buena.
La solución obvia implicado de carga las baterías con las corrientes más pequeñas de o por debajo de 2.5 A. Obviamente, esto aumentaría el tiempo de carga en cada batería que no era realmente que crítico para mi solicitud ya que iba a conectar el cargador de baterías durante meses a la vez. Para ser honesto, no tenía ni idea de cuánto serían los tiempos de carga. Decidí que sería mejor utilizar un circuito inteligente que, cuando sea necesario, sólo cobrarían una batería en un momento sin dejar que la otra batería cae por debajo de su umbral de baja tensión. En otras palabras, si el umbral de baja tensión de la segunda batería es violado mientras se carga la primera batería, carga de la batería primera se detiene y la segunda batería se carga en su lugar; o viceversa.
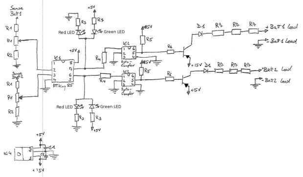
Aquí presento tal circuito. Utiliza un ATtiny85 como su cerebro. Este IC es un pequeño microprocesador, que dispone de suficientes entradas y salidas disponibles para el trabajo y es totalmente programable.
En la figura ver aproximadamente de izquierda a derecha:
+ Divisores del voltaje R1, R2, P1, a la tensión de la batería a por debajo de niveles 5V: 16V = > 5V, 1024 pasos
+ 85 ATtiny, izquierda: entradas analógicas, derecha: salidas digitales = alta / baja = carga / no carga
+ Rojos y verdes LEDs con resistencias de limitación actuales R3; Alta señal = LED rojo on = señal de carga, baja = LED verde encendida = no carga
+ Circuito optoacoplador: resistor limitador actual R4 para LED interno. Alta señal enciende el optoacoplador = > se crea la conexión entre el pin 4 y 5
+ R5 = Levante resistencia
= > cuando optoacoplador apagado, es luego + 15V al pin 5
= > cuando optoacoplador está encendido, entonces es la GND al pin 5
+ PNP transistor Darlington con resistencia de base R6, GND en el R6 = > Transistor abierto, + 15V en R6 Transistor está cerrado
+ Invierte actual diodos de protección D1: evita que la corriente fluya de la batería en el circuito.
+ Corriente limitando los resistores R7: estos dependen de las baterías y fuente de alimentación. Usé 3 x resistencias de 1 ohmio/25W para empezar. Estos limitan la corriente a máxima 5A. Tenga en cuenta que la corriente de salida es significativamente disminuida por la resistencia interna de la batería que se carga. He decidido, ya que mi objetivo era mantener la batería de estado durante semanas a la vez, una alta corriente de carga no era bastante que de carga importante. Por favor consulte el paso 13 para una explicación más detallada.