ARDUINO MPPT SOLAR CHARGE CONTROLLER (Version-3.0) (29 / 42 paso)

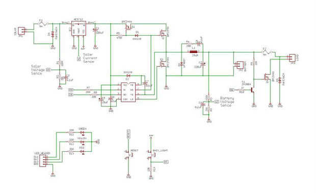
Paso 29: Conectar el GND

Después de soldar todos los componentes, conectar todas las tierras (GND) se muestra en el esquema.

Estoy utilizando gruesos cables negros.

Artículos Relacionados

Arduino powered Solar Battery Charger

Arduino powered Solar Battery Charger

El siguiente diseño es para un cargador de baterías Solar funcionó por un Arduino Nano. Puede manejar una batería de ácido de 12V estándar, como para una moto o un coche. Por otra parte el diseño ha sido probado y funciona con eficiencia de 90% bajo
Motor paso a paso + Arduino + seguidor Solar (EV)

Motor paso a paso + Arduino + seguidor Solar (EV)

Este instructable es la traducción de otro que fue escrita originalmente en español, así que pido perdón si tengo muchos errores gramaticales, si así fuera me encantaría me sugieren para editarlo. Sólo lo hago porque me gusta compartir mis proyectos.
Arduino seguidor Solar utilizando LEDs!

Arduino seguidor Solar utilizando LEDs!

Así que me encontré recientemente con un poco de información me había olvidado. LEDs de generan un poco de tensión bajo la iluminación de una gama de longitudes de onda. Tiempo para explotar esta peculiaridad para hacer un seguidor solar de DIY para
CONTROLADOR de carga SOLAR de ARDUINO (versión 2.0)

CONTROLADOR de carga SOLAR de ARDUINO (versión 2.0)

Hace un año, comencé a construir mi propio sistema solar para proporcionar energía para mi casa. Inicialmente hice un regulador LM317 base y un metro de la energía para el sistema de vigilancia. Finalmente hice controlador de carga PWM. En abril de 2
CONTROLADOR de carga SOLAR de ARDUINO (versión-1)

CONTROLADOR de carga SOLAR de ARDUINO (versión-1)

En mi anterior instructables he descrito los detalles de control de energía de una red de sistema solar. También he ganado el concurso 123D de circuitos para. Puedes ver este medidor de energía de ARDUINO.Por fin publico mi nuevo controlador de carga
Generador Solar emergente: SunZilla 3.0

Generador Solar emergente: SunZilla 3.0

El generador solar emergente SunZilla es una fuente de energía renovable que es portátil y modular. Es un sistema de plug-and-play que es fácil de configurar y no necesita ningún expertos a ser construido desde cero. Su modularidad permite adaptar el
V3.0 de la fuente de energía solar

V3.0 de la fuente de energía solar

después de dos generaciones anteriores de mi fuente de alimentación Solar recibiendo comentarios positivos de aquí y YouTube, pensé que sería tiempo para compartir con ustedes mi tercer diseño de la generación.Al igual que la versión anterior, este d
Contador de energía PV Solar con conexión a Xively (pueden ser monitoreados en android o iPhone) basados en Arduino

Contador de energía PV Solar con conexión a Xively (pueden ser monitoreados en android o iPhone) basados en Arduino

Hace ya dos días hizo la generación de Arduino PV metros, pero fue un error dejar de tomar las fotos paso a paso antes de proceder para la prueba final. Y era una idea terrible para mostrar el cuadro de raw llamado medidor de energía: p de todas form
Construir un ESP8266 Energía Solar

Construir un ESP8266 Energía Solar

En este Instructable que estamos demostrando cómo construir un solar powered ESP8266Conectan a un ESP8266 a la Junta de SunAirPlus colección de controlador/cargador/datos de energía Solar y una batería de paneles solares.El propósito de este proyecto
BRICOLAJE de la rejilla sistema SOLAR

BRICOLAJE de la rejilla sistema SOLAR

Día a día el precio del panel solar cae gradualmente. Pero todavía es costosa instalación de un completo sistema de solar de la rejilla. Así que escribo este instructable por separado todos los componentes de vuestro sistema solar y montar todo por t
ARDUINO WIRELESS HOME sistema de seguridad

ARDUINO WIRELESS HOME sistema de seguridad

En este proyecto voy a comentar como se puede hacer un sistema de seguridad inalámbrico barato. Aunque durante el arranque de este proyecto el objetivo principal fue sólo para alarma de seguridad pero más tarde me encontré con que este dispositivo se
ARDUINO ENERGY METER

ARDUINO ENERGY METER

Pertenezco a una aldea de Orissa, India donde el corte de energía frecuentes es muy común. Dificulta la vida de cada uno. Durante mis días de infancia, continuar los estudios después del atardecer fue un verdadero desafío. Debido a este problema dise
Generador solar camping

Generador solar camping

Construí este generador solar para camping. proporcionará una potencia baja durante mucho tiempo. pequeñas cargas, dispositivos de 12 voltios y carga dispositivos usb.Paso 1: partestodo 3d piezas impresa (opcional) http://www.thingiverse.com/thing:14
Banco de batería solar de litio hierro fosfato (LifePO4)

Banco de batería solar de litio hierro fosfato (LifePO4)

Baterías LifePO4 son bastante nuevas para uso solar. Mi casa originalmente utilizado un banco de 24 voltios de plomo (ver foto a la derecha). Estos no solamente después de un año de uso. Esto fue un error costoso. Mi banco de reemplazo es baterías Li