Paso 9: MOSFET DRIVER


¿Por qué necesitamos un controlador de puerta?
Un driver de Mosfet permite una baja señal actual de salida digital del microcontrolador para controlar la compuerta de un Mosfet. Una señal digital de 5 voltios puede conmutar un mosfet de alta tensión utilizando el controlador. Un MOSFET tiene una capacitancia de puerta que necesita la carga para que el MOSFET puede encender y descargarlo para apagar, la más corriente que puede proporcionar a la puerta más rápido encendido/apagado del mosfet, es por eso que utiliza un controlador.
Para más detalles puedes leer acerca de Conceptos básicos de MOSFET
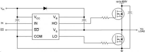
Para este diseño estoy usando un controlador IR2104 medio puente. El IC toma la señal PWM del micro controlador y luego unidades de dos salidas para un alta y un MOSFET de lado de baja.
¿Cómo usarlo?
He tomado la imagen que se muestra arriba de la hoja de datos.
Entrada:
Primero tenemos que proporcionar energía para el controlador de puerta. Se dan en Vcc (pin-1) y su valor está entre 10-20V según hoja de datos.
La señal PWM de alta frecuencia de Arduino va a (pin 2). La cerrada de la señal de control de Arduino está conectada en SD (pin 3).
Salida:
Se generan las señales de PWM de 2 salida de pin HI y LO. Esto le da al usuario la oportunidad de ajustar la banda muerta de la conmutación de los MOSFETs.
Circuito de la bomba de carga:
El condensador había conectado entre VB y VS junto con el formulario del diodo la bomba de carga. Este circuito duplica el voltaje de entrada para que el presostato de alta se puede conducir encendido. Sin embargo este circuito bootstrap sólo funciona cuando los MOSFETs están cambiando.
Se adjunta la hoja de datos de IR2104 aquí