Paso 6: Circuito de alimentación lógica

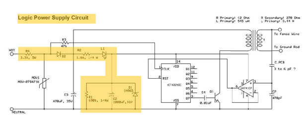
Diodo D2 recifies la entrada de 120V. Porque se utiliza solamente un diodo solo, poder se entrega solamente en el ciclo de la mitad de la entrada de corriente alterna. Condensador C2 es un condensador de filtro para la alimentación de las ICs. Filtra el voltaje de ondulación de la onda media recified de entrada.
La tensión se regula a unos 15 voltios por diodo Zener D1. R1 es un valor grande, 680k y más probable es que se utiliza para descargar C2 cuando la unidad está sin corriente.