Paso 5: Almacenamiento de energía primaria circuito

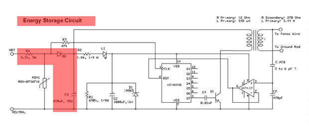
MOV1 es un varistor de óxido metálico, que se incluyó para la protección contra transitorios de alto voltaje. Es clasificado para un desglose alrededor de 300 voltios. Llevará a cabo cuando el voltaje en él excede el grado de descomposición, el voltaje de cualquier picos transitorios a un nivel que sea seguro para el producto de fijación. La tensión de ruptura es muy superior a la tensión de pico v 168 de la onda de CA de VRMS 120, así que realmente no tiene ningún efecto durante el funcionamiento normal del circuito.
En cuenta que no hay ningún transformador utilizado para aislar la corriente a la unidad! Los 120 VAC cables soldar directamente a la placa! El cable negro es la caliente conexión a la red de casa de 120 voltios CA, y puede ser muy peligroso o incluso mortal en contacto con lo! Normalmente, un producto de CA que tiene un bajo voltaje de CC para la operación del circuito tendrá un paso abajo transformador seguido de un rectificador, pero no aquí! Este es otro buen punto en el que se repita el aviso de seguridad:
El dispositivo descrito aquí funciona con 120 VCA. Ejercicio de precaución cuando se trabaja con 120 VAC, como contacto con él puede ser letal! Desconecte cualquier dispositivo VAC 120 de energía al investigarlo! El lado de salida de este dispositivo se utiliza para conducir un cercado eléctrico y puede generar impulsos kilovoltios causando dolor al entrar en contacto! Ejercer extrema precaución cuando trabaje con cualquier dispositivo de alto voltaje o 120 VAC alimentado! Experimento bajo su propio riesgo!