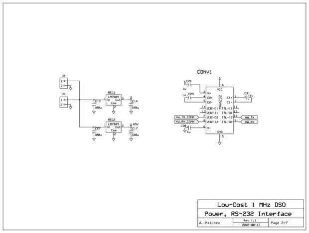
Paso 6: Circuito Descripción - fuente de alimentación, interfaz de PC

el RS-232 los niveles desde la PC, y también añade una capa de protección entre alcance y PC. Los datos se envían a 19200 baudios, que según mis pruebas es aproximadamente tan rápido como el microcontrolador puede leer los datos de la memoria, lo que significa que un aumento de velocidad no se traduce en un aumento en la tasa de actualización de pantalla.
En cuanto a la alimentación, el ámbito de aplicación va desde cualquier genérico DC fuente de alimentación capaz de suministrar en
300mA menos (el alcance realmente sólo utiliza sobre 150 mA, pero es mejor tener al menos algún espacio) en una tensión entre 9V y 15V). Este voltaje es regulado abajo a un regulador lineal 5V muy constante con el venerable (y fácil de obtener y barato) 7805.
Usted puede preguntarse por qué hay dos reguladores idénticos en el circuito. La razón es esa lógica digital
patatas fritas (como el microcontrolador o la lógica de la muestra) causan grandes espinas en corriente cuando son
conmutación (básicamente cuando el reloj cambia). Esto a su vez produce caídas repentinas en la fuente
actual. Mientras que suele ser de poca importancia para los circuitos de la digital siempre y cuando no hay demasiado
excesiva, afecta a la precisión de los circuitos analógicos en el ámbito de aplicación y sería introducir ruido en la señal medida.
Para evitar esta situación, opté por un arreglo de suministro muy común donde un regulador provee toda lógica digital, mientras que el segundo regulador suministra la parte analógica del circuito (op-amps,
convertidores de digital a analógico suministrando voltajes de offset, sección analógica de los convertidores de digital a analógico). Esa manera comparada con mi versión original de la placa del alcance pude reducir el ruido en la fuente de alimentación analógica por sobre un factor de tres, a menos de un LSB del sampler de 8 bits. La tensión analógica también dobla como tensión de referencia (que obtiene mide el nivel de señal), que pide una vez más una fuente muy estable ya que cualquier cambio o ruido se muestra como cambios o ruido en la señal medida.
Cuatro condensadores electrolíticos de 100uF (una antes de cada uno de los reguladores y después de cada uno) fuente de los cambios actuales del almacenador intermediario. Además, un 0.1uF condensador de cerámica cerca de cada IC (distribuido sobre el resto de las páginas PDF) neutraliza rápidamente corriente picos causados por la conmutación digital.