Paso 10: Actualización a 1 MOhm impedancia y mayor ancho de banda


suficientemente alta para hacer aberraciones de señal debido a la carga adicional insignificante (por ejemplo con un 600 ohmios fuente de audio la 133 kOhm carga introduce un error de nivel de bien debajo del 1%, errores debido a las tolerancias de resistencia, tolerancias de suministro de energía etc. hasta añadir mucho más). Pero excluye el uso del estándar de 1:10 alcance sondas, porque estas puntas de prueba asumen una impedancia de 1 MOhm de alcance (básicamente son sólo 9 resistencias MOhm, que entonces forma un 1:10 divisor del voltaje con el alcance de la entrada).
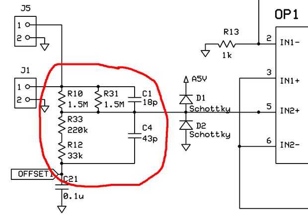
Como ya se indica en el paso anterior la razón tuviera que elegir una resistencia más baja es la capacitancia de entrada del op-amp (OP1 para el canal 1 de alcance). Es paralela a baja resistencia (R12) del divisor de entrada, y en frecuencias más altas desviaciones R12 y así aumenta el cociente de la división (véase
esquema página 5). Eso significa que las frecuencias más altas Haz atenuadas más - nosotros tenemos un filtro de paso bajo sin siquiera pedir uno. Utilizar un divisor de resistencia más alto y sólo empeora el problema. Con un divisor de MOhm 1 tengo un miserable 60 kHz de ancho de banda, demasiado poco para que coincida con la frecuencia de muestreo de MS/s alcances 1. Necesitaba ir a estos 133 kOhm para alcanzar alrededor de 400 kHz.
No hay manera para deshacerse de esta capacitancia de entrada. Así que "si no puedes vencerlos, Únete a ellos". Si añades un discreto condensador C1 en paralelo a R10 (la resistencia de 100 kOhm) se obtiene un divisor capacitivo en paralelo con el divisor resistivo. Si usted elige C1 para que
R10 / R12 = Cin / C1 (Cin es capacitancia de entrada del OP1)
entonces los cocientes de la división del divisor capacitivo y resistivo son iguales, y el cociente de la división es constante en frecuencia - efecto del filtro paso bajo no más aunque Cin todavía está allí. (Realmente la impedancia de entrada disminuye con frecuencia, pero que es mucho menos de una preocupación, el cociente divisor no cambia).
CIN generalmente desconoce precisamente (y varía de dispositivo a dispositivo, incluso del mismo tipo), para que alcances normalmente hacen C1 ajustable así que usted puede recortar para un ajuste óptimo. Ya no quiero
cualquier cosa que necesitan ajuste (debido a que tiende a ahuyentar a los principiantes), decidí en lugar de otro también añadir un condensador toda (C4) en paralelo a Cin - así las variaciones en Cin tienen mucho menos efecto.
Ámbitos de low-end estándar suelen tienen una capacitancia de entrada de alrededor de 15pF, así que se tiro de un valor similar. Para obtener un 1 MOhm resistente con una proporción de 1:4, las resistencias deben ser kOhm 750 y 250 kOhm. En cuanto a los condensadores, después de elegir C1 que 18pF variado C4 hasta que me dieron la respuesta en frecuencia más plana del reborde con una opción de 43pF. Con eso, el ancho de banda se duplica en aproximadamente 1 MHz (no muy importante dada la frecuencia de muestreo máxima de alcance) y la impedancia de entrada en C.C. es de 1 MOhm, así que ahora puede usar 1:10 sondas para medir tensiones superiores a 20V!
Aplicación práctica:
Para modificar el LCS - 1M con la nueva etapa de entrada que tendrás que hackear el tablero un poco - pero es bastante fácil. Si usted no puede obtener fácilmente el valor del componente (kOhm 750, 250 kOhm, 43 pF y pF 18) usted puede poner juntos de dos componentes cada uno, combinándolas en paralelo o en serie. Recuerde que para resistencias, la resistencia total R_tot
R_tot = R1 + R2 (conexión en serie) o R_tot = (R1 * R2) / (R1 + R2) (conexión en paralelo),
mientras que para los condensadores, la capacitancia total es de C_tot
C_tot = (C1 * C2) / (C1 + C2) (conexión en serie) o C_tot = C1 + C2 (conexión en paralelo).
Para las resistencias, como llegar dentro de aproximadamente 1-2% de la meta, está bien. La serie E24 (1% de tolerancia) tiene 750 kOhm y 249 kOhm disponibles. O con más fácil para obtener resistencias de serie E12 (tolerancia del 5%) puede utilizar 130 + 620 = 750, 270 + 470 = 740 o 330 + 430 = 760 (toda la serie conectada), o dos 1.5 MOhm resistencias en paralelo. Para el 250 kOhm resistencia utiliza combinaciones de series de 100K 150K, 30 K + 220 K o 51K + 200K.
Los condensadores suelen tienen tolerancias más grandes de todos modos (5% o 10%), para no llegar demasiado quisquilloso. If
43pF y 18pF no están fácilmente disponibles, utilice 44pF (= 22pF dos en paralelo) y 20pF (= 10pF dos en
en paralelo), o 47pF y 22pF. Alternativamente, reemplazar el capacitor de 18 pF con un condensador de ajuste ~ 5 - 50pF, medir una onda cuadrada y ajustar hasta que se ve muy cuadrado (sin bordes redondeados y no pasa bien).
A continuación hay los planos actualizados para los dos canales.
Instrucciones paso a paso:
Canal 1:
1. desoldar R10 y R12.
2. Reemplace el R10 con una resistencia de 750K (R10 y R31 en el esquema actualizado) y condensador 18pF paralelamente. Manténgase cable corto para reducir la inductancia parásita.
3. Reemplace el R12 con 250K resistencia y 43pF condensador en paralelo.
Canal 2: igual, sólo los números cambian.
1. desoldar el R18 y R19.
2. Reemplace el R18 con una resistencia de 750K (R18 y R32 en el esquema actualizado) y condensador 18pF paralelamente.
3. Reemplace el R19 con 250K resistencia y 43pF condensador en paralelo.