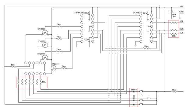
Paso 8: 4 dígitos 7 segmentos Display con punto Decimal



Con el control de calidad de SN74HC595 se conecta al segmento a, QB conecta al segmento b, y así sucesivamente hasta llegar a QG para g. segmento QH conecta con punto decimal y QH' conecta con el segundo SN74HC595 a los ánodos de los dígitos individuales.
Esta pantalla LED es una entrada en serie paralela al segmento del común ánodo 4 dígitos 7 pantalla LED con punto decimal. Ahora puedo hacer mi propia hoja de datos para el común del ánodo 4 dígitos 7 segmentos Display.