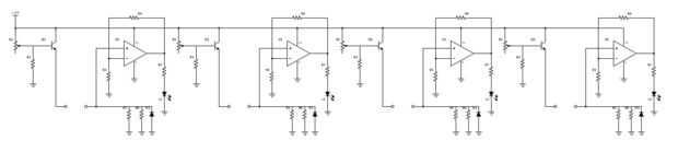
Paso 11: Alimentación de PC ajustable

Este circuito es una fuente de alimentación ajustable de 160 vatios para insertar en un PC más allá de que sólo puedo adivinar en su propósito, es éter una fuente especializan de accesorios o conversión de una torre a un laboratorio de electrónica completa con fuente de alimentación ajustable.
Circuitos de ingeniería inversa y componentes consigue esquemas de electrónica, usted no puede encontrar esquemas para y le dice pin outs de los componentes te no encuentras hojas de datos de una herramienta útil en su cinturón de herramientas.