



La ingeniería inversa es una habilidad que no se enseña en cursos de electrónica de Universidad y sin embargo es una valiosa herramienta en el cinturón de herramientas de un ingeniero. Muchas personas que trabajan en equipos electrónicos de búsqueda sin fin para esquemas de un dispositivo cuando si supieran cómo es con toda probabilidad, tomaría menos tiempo para hacer sus propios esquemas y partes una lista de.
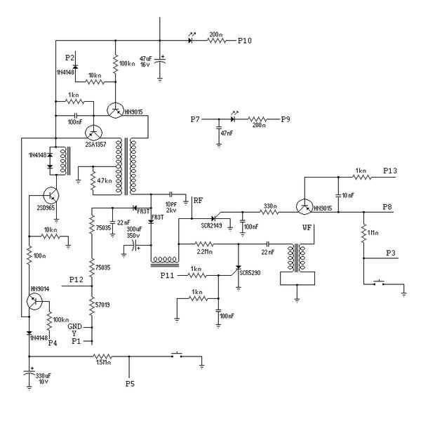
Tomar el circuito de flash en la cámara Polaroid, si querías un cargador del condensador del modelo después del circuito de flash en la cámara, a menos que usted trabajó para Polaroid tus posibilidades de conseguir un esquema casi imposibles. Que la resina cubierto IC encargo el resto del circuito era fácil de rastrear y hacer un esquema de llevarme a sólo cuatro horas.
Puede entregar dibujar sus esquemas, construir en la pintura como hago, o construir sus esquemas un simulador de circuitos como el 123D circuitos donde son fáciles de leer y usted puede probarlos asegurándose de que hiciste el esquema correctamente.
Voy a mostrarte algunas de las cosas que necesita saber para realizar ingeniería inversa.