Ingeniería inversa (2 / 11 paso)

Paso 2: El esquema de la placa de circuito SMD

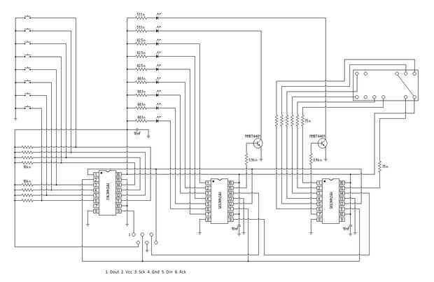
Ahora que tienes los valores y fichas técnicas de sus componentes puede hacer un esquema de la placa de circuito. Para esta parte a veces I quitar los componentes, fotografiar la placa de circuito y trazar los conductores en la pintura. Desde uno de los pines y seguir el conductor para el primer sorteo el pin del componente y alambre y el componente si las ramas de conductor de dibujan al siguiente componente. Una vez que ha dibujado todas las ramas de ese conductor ir al otro lado del primer componente y dibujar el siguiente conductor y sus ramas a los componentes que va a. Continúe esto hasta que ha dibujado el esquema de la placa de circuito.

Piezas
Tres condensadores de 10 nf
Dos-4 bar 103 es resistencias de dos-4 x 10 kΩ
Dos-4 bar 75R0 es resistencias Ω 75 dos-4 x
Dos x 392 es 3,9 kΩ resistencias
Dos x 51R1 a los 2 LEDs es dos 51.1 resistencias Ω
Tres x 82R5 para 3 LEDs es tres 82,5 resistencias Ω
X 68R1 cuatro a 4 LEDs es cuatro 68,1 resistencias Ω
Un x 42A04F8, HC163 es MM74HC163 o SN74HC163 IC
Dos x 42A74HT, HC595 es MM74HC595 o SN74HC595 IC
Dos x 2 F X es MMBT4401, SO4401 o 2N4401 transistores
Segmento de un dígito 7 Kingbright SA43-21GW SA43-13GW pantalla LED

Artículos Relacionados

Ingeniería inversa RF mando a distancia para IoT.

Ingeniería inversa RF mando a distancia para IoT.

En este instructable, usted aprenderá cómo invertir el ingeniero cómo implementar en un ordenador muy barato de WiFi activado, el MCU de nodo y mandos de Radio frecuencia (RF). Usando esta técnica puedes IoT habilitar dispositivos mayores y dispositi
Ingeniería inversa en vivo

Ingeniería inversa en vivo

Empecé en electrónica antes de la llegada de internet y de componentes de estado sólidos más, por lo que no fue fácil para mí obtener hojas de datos y esquemas. Hoy en día con fabrica haciendo ICs personalizadas y pantallas LCD para todo, desde los t
Ingeniería inversa: Bombilla de LED RGB con mando a distancia IR

Ingeniería inversa: Bombilla de LED RGB con mando a distancia IR

compramos 20 de estas bombillas LED RGB para una fiesta en el trabajo, pero estaba un poco decepcionado con las funciones de fundido de color que proporcionaban. Así que decidí tomar a un ingeniero inverso, aparte el protocolo de IR y ver si tenía má
Un cargador de la cerca eléctrica de ingeniería inversa

Un cargador de la cerca eléctrica de ingeniería inversa

algo ingeniería inversa puede ser una gran forma de entretenimiento y educación.  Que muchas veces he comprado artículos para la satisfacción de desmontaje para determinar cómo funcionan y cómo están diseñados.  A lo largo de la manera usted puede ap
Un pequeño amplificador de ingeniería inversa

Un pequeño amplificador de ingeniería inversa

Mi Instructables otros en la ingeniería inversa está en componentes que no puede obtener hojas de datos y conexiones. Invertir que un circuito de dos tableros a la semana, pequeños como estos me llevan de un día para invertir a ingeniero y tira para
Ingeniería inversa: USB controlado hack de automatización del hogar

Ingeniería inversa: USB controlado hack de automatización del hogar

hackear un sistema inalámbrico de automatización del hogar para ser controlada usando dos Microcontroladores AVR USB!¡ Mira el video! El sistema es realmente más sensible, pero el navegador de mi celular es lento.Si te gusta esto, posiblemente le gus
¿Hacer una clave de trabajo de chatarra por un bloqueo de ingeniería inversa

¿Hacer una clave de trabajo de chatarra por un bloqueo de ingeniería inversa

has perdido todas las llaves de su cerradura y necesita hacer una nueva clave desde cero?  ¿Le falta el cerrajero una llave en blanco que se ajuste a la ranura de la cerradura? Agarrar una lima de metal, alguna hoja de chatarra y leer en un áspero y
Ingeniería inversa = Uzzors2k = Bluecar Android aplicación Amarino cosas también.

Ingeniería inversa = Uzzors2k = Bluecar Android aplicación Amarino cosas también.

Este instructable sobre todo Ayude a la gente tratando de coches del rc coche/james bond (mañana nunca muere por supuesto).  Si tu tratando de encender las luces o controlar su garaje con el bluetooth de un teléfono con android, hay toneladas de otro
Cualquier herramienta de limpieza de ingeniería inversa para el rendimiento óptimo del equipo

Cualquier herramienta de limpieza de ingeniería inversa para el rendimiento óptimo del equipo

Si eres algo como yo, le gustaría tener y tomar el control de todo en su computadora. Ust pueda determinar cuánto almacenamiento de información se utiliza para bla programas bla, bla.Aunque las aplicaciones pueden ser útiles en hacer las cosas, ¿por
Hackear la oreja espía y aprender ingeniería inversa un circuito

Hackear la oreja espía y aprender ingeniería inversa un circuito

este instructable introduce el venerable oído espía en detalles y mi manera a invertir el ingeniero un circuito.¿Por qué este dispositivo merece su propio instructivo?:-Usted puede comprar un oído espía por un dólar!-Se pueden amplificar sonidos hast
USB hack por ingeniería inversa

USB hack por ingeniería inversa

USB es un protocolo muy complejo, mucho más complicado que la serie o paralelo, SPI y I2C incluso. USB utiliza sólo dos hilos pero no son utilizados como 'recibir' y 'transmitir' como serie. Por el contrario, datos están bidireccional y diferencial -
Ingeniería inversa para emular los cartuchos de tinta para una impresora Epson

Ingeniería inversa para emular los cartuchos de tinta para una impresora Epson

durante los últimos dos años, he estado planeando construir yo mismo una impresora 3D de algunas impresoras de inyección de tinta viejo que yo había recogido durante los años. Pero no hasta hace dos semanas había hecho empecé a trabajar en él.La impr
Soportes de chapa simple (de un Volvo S70) de ingeniería inversa

Soportes de chapa simple (de un Volvo S70) de ingeniería inversa

/ *Me decidí a ayudar a un amigo a reemplazar el radiador en su Volvo no hace mucho tiempo. 1 ¡ error! Gatos y soportes son molestias, decidimos saltarlos y contort bajo el parachoques y todo el refrigerante drenaje todavía para llegar a los distinto
PCB inversa ingeniería usando GIMP

PCB inversa ingeniería usando GIMP

hay solamente pocos artículos o guías que muestra cómo se puede invertir el ingeniero un PCB usando una imagen jpg o png que tienes o toma para un PCB. Probé uno mencionado en este sitio, pero no éxito en eso.El objetivo de la ingeniería inversa son