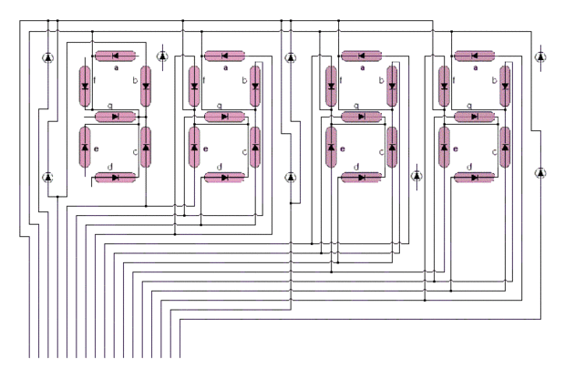
Ingeniería inversa (7 / 11 paso)

Paso 7: El Final pines

Después de hecho esquema parcial de la exhibición de LED y sus conexiones a la IC y el resto de la placa de circuito que comprueba los circuitos de la pantalla con un medidor y un esquema de la pantalla. Ahora cuando voy a utilizar la pantalla de LED en un proyecto ya tengo las salidas de pin.

Artículos Relacionados

Ingeniería inversa RF mando a distancia para IoT.

Ingeniería inversa RF mando a distancia para IoT.

En este instructable, usted aprenderá cómo invertir el ingeniero cómo implementar en un ordenador muy barato de WiFi activado, el MCU de nodo y mandos de Radio frecuencia (RF). Usando esta técnica puedes IoT habilitar dispositivos mayores y dispositi
Ingeniería inversa en vivo

Ingeniería inversa en vivo

Empecé en electrónica antes de la llegada de internet y de componentes de estado sólidos más, por lo que no fue fácil para mí obtener hojas de datos y esquemas. Hoy en día con fabrica haciendo ICs personalizadas y pantallas LCD para todo, desde los t
Ingeniería inversa: Bombilla de LED RGB con mando a distancia IR

Ingeniería inversa: Bombilla de LED RGB con mando a distancia IR

compramos 20 de estas bombillas LED RGB para una fiesta en el trabajo, pero estaba un poco decepcionado con las funciones de fundido de color que proporcionaban. Así que decidí tomar a un ingeniero inverso, aparte el protocolo de IR y ver si tenía má
Un cargador de la cerca eléctrica de ingeniería inversa

Un cargador de la cerca eléctrica de ingeniería inversa

algo ingeniería inversa puede ser una gran forma de entretenimiento y educación.  Que muchas veces he comprado artículos para la satisfacción de desmontaje para determinar cómo funcionan y cómo están diseñados.  A lo largo de la manera usted puede ap
Un pequeño amplificador de ingeniería inversa

Un pequeño amplificador de ingeniería inversa

Mi Instructables otros en la ingeniería inversa está en componentes que no puede obtener hojas de datos y conexiones. Invertir que un circuito de dos tableros a la semana, pequeños como estos me llevan de un día para invertir a ingeniero y tira para
Ingeniería inversa: USB controlado hack de automatización del hogar

Ingeniería inversa: USB controlado hack de automatización del hogar

hackear un sistema inalámbrico de automatización del hogar para ser controlada usando dos Microcontroladores AVR USB!¡ Mira el video! El sistema es realmente más sensible, pero el navegador de mi celular es lento.Si te gusta esto, posiblemente le gus
¿Hacer una clave de trabajo de chatarra por un bloqueo de ingeniería inversa

¿Hacer una clave de trabajo de chatarra por un bloqueo de ingeniería inversa

has perdido todas las llaves de su cerradura y necesita hacer una nueva clave desde cero?  ¿Le falta el cerrajero una llave en blanco que se ajuste a la ranura de la cerradura? Agarrar una lima de metal, alguna hoja de chatarra y leer en un áspero y
Ingeniería inversa = Uzzors2k = Bluecar Android aplicación Amarino cosas también.

Ingeniería inversa = Uzzors2k = Bluecar Android aplicación Amarino cosas también.

Este instructable sobre todo Ayude a la gente tratando de coches del rc coche/james bond (mañana nunca muere por supuesto).  Si tu tratando de encender las luces o controlar su garaje con el bluetooth de un teléfono con android, hay toneladas de otro
Cualquier herramienta de limpieza de ingeniería inversa para el rendimiento óptimo del equipo

Cualquier herramienta de limpieza de ingeniería inversa para el rendimiento óptimo del equipo

Si eres algo como yo, le gustaría tener y tomar el control de todo en su computadora. Ust pueda determinar cuánto almacenamiento de información se utiliza para bla programas bla, bla.Aunque las aplicaciones pueden ser útiles en hacer las cosas, ¿por
Hackear la oreja espía y aprender ingeniería inversa un circuito

Hackear la oreja espía y aprender ingeniería inversa un circuito

este instructable introduce el venerable oído espía en detalles y mi manera a invertir el ingeniero un circuito.¿Por qué este dispositivo merece su propio instructivo?:-Usted puede comprar un oído espía por un dólar!-Se pueden amplificar sonidos hast
USB hack por ingeniería inversa

USB hack por ingeniería inversa

USB es un protocolo muy complejo, mucho más complicado que la serie o paralelo, SPI y I2C incluso. USB utiliza sólo dos hilos pero no son utilizados como 'recibir' y 'transmitir' como serie. Por el contrario, datos están bidireccional y diferencial -
Ingeniería inversa para emular los cartuchos de tinta para una impresora Epson

Ingeniería inversa para emular los cartuchos de tinta para una impresora Epson

durante los últimos dos años, he estado planeando construir yo mismo una impresora 3D de algunas impresoras de inyección de tinta viejo que yo había recogido durante los años. Pero no hasta hace dos semanas había hecho empecé a trabajar en él.La impr
Soportes de chapa simple (de un Volvo S70) de ingeniería inversa

Soportes de chapa simple (de un Volvo S70) de ingeniería inversa

/ *Me decidí a ayudar a un amigo a reemplazar el radiador en su Volvo no hace mucho tiempo. 1 ¡ error! Gatos y soportes son molestias, decidimos saltarlos y contort bajo el parachoques y todo el refrigerante drenaje todavía para llegar a los distinto
PCB inversa ingeniería usando GIMP

PCB inversa ingeniería usando GIMP

hay solamente pocos artículos o guías que muestra cómo se puede invertir el ingeniero un PCB usando una imagen jpg o png que tienes o toma para un PCB. Probé uno mencionado en este sitio, pero no éxito en eso.El objetivo de la ingeniería inversa son