Paso 5: Diseñar el marco







Ya que no he visto realmente una impresora delta en persona, lo mejor que pude hacer fue hacer algunas conjeturas de imágenes y vídeos de youtube.
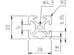
Llegué a la conclusión que una impresora delta es simplemente una cuestión de dibujar un triángulo equilátero y colocación de poste vertical en cada esquina. Por el post, decidí usar aluminio extruido con ranuras en t en el tamaño de 20 x 20 mm. Mayoría de los fabricantes de estas protuberancias proporciona dibujos dimensionales de sus productos. La empresa denominada OpenBuilds incluso proporcionó los archivos dimensionales en Sketchup. Marca de OpenBuilds me dio permiso para compartir los archivos de sketchup aquí. Se adjunta en esta página. Tomé estos archivos dimensionales y abrió un agujero en cada esquina del triángulo equilátero que las protuberancias cómodamente deslizarse a través de y les obligan a ser perfectamente vertical. Para la extrusión de 20 x 20 mm, hice los agujeros 20,4 mm de ancho. No realmente personalmente he visto o llevó a cabo una extrusión de aluminio así que sólo estoy esperando mis trabajos de diseño.
Mi tablero del MDF no es lo suficientemente gruesa como para sostener las protuberancias, así que diseñé una segunda capa (auxiliares) que pega en la base. Me aseguré de que la colocación de la extrusión hizo igual distancia unos de otros y que ellos todos están orientados hacia el centro del triángulo. También se perforaron agujeros de los tornillos para el motor paso a paso, los soportes de montaje.
En este punto ordené una 1500 mm x 20 mm x 20 mm y un 1000 x 20 mm x extrusiones de aluminio de 20 mm algunos, tornillos de M5 tuercas en t, y soportes de esquina de OpenBuild,
Adjunto a esta página, son los archivos cam, dxf y g-code para la base. No habrá ningún archivo STL como los que son más comunes a las piezas impresas 3D.













