Paso 5: Inercia simulada y frenado

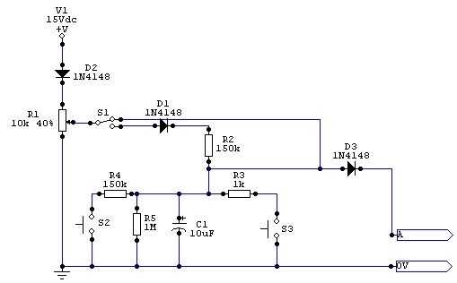
Ahora, ya que estamos controlando el loco de básicamente un divisor de tensión simple (VR1), hay ninguna razón por qué, puesto que ahora han superado los problemas de arranque y lento en ejecución, que finalmente no podemos introducir aceleración simulada y frenado. En este escenario, la capacitancia se utiliza para construir poco a poco la tensión que alimenta al pin 5 y lentamente reducirlo en la 'frenada' para una práctica de funcionamiento más realista. Me gustaria poder cambiar esto o por lo que el controlador puede ser usado convencionalmente, así. El circuito siguiente muestra cómo nuestro divisor del voltaje original se convierte en inercia simulada y frenado.
Salida 'A' se alimenta a cada pin 5 del circuito 555... o...
Como un aparte, la inercia y frenado se podría agregar para el circuito de la Fig 2 si PWM no es necesaria.