Paso 24: Actualización, V0.3





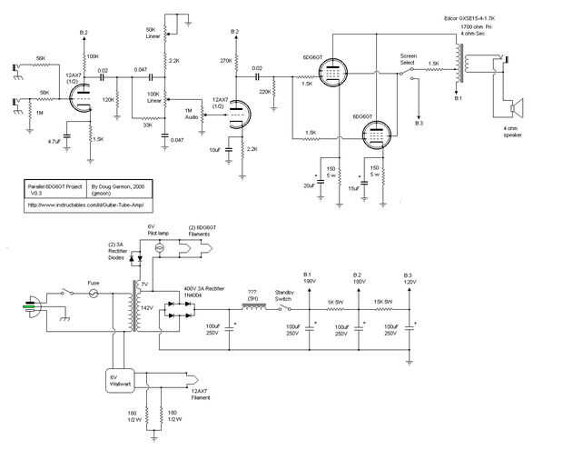
Sigo perfeccionando la amp. Han pasado varios meses desde la construcción inicial, y todavía va fuerte. Cualquier inquietud tuve--demasiado "caliente"--por ejemplo la potencia tubo cátodo diagonal que se han ido... Aquí está la próxima ronda de cambios (véase el esquema nuevo):
(*** hay otro cambio no agregando el esquema aún... vamos a ver si me gusta primero... ***)