Paso 1: Cambios tabla de Shapeoko




Como maquinista desde hace 40 años, materiales de sujeción en máquinas viene natural para mí. La mesa de tablero MDF que viene de stock no fue de mi agrado, por lo que era necesario una nueva tabla con una forma a mi material grabado en el lugar exacto.
Encontramos McMaster Carr vende aluminio T-slot pista para un. 250"(6.35 mm) perno, por lo que calculé cuántos tendríamos que cubren el recorrido de la Shapeoko con 1" espaciadores intermedios. Nueve era lo necesario con el 12"(305mm) viajamos del eje X. Las longitudes son 24"(609,6 mm) de largo y sobresale de la parte delantera y trasera, pero esto no era un problema.
20mm (. 7874") cuadrado aluminio extrusión enmarcado en la 2 de Shapeoko para la cama MDF original tenía ranuras en los cuatro lados. Necesitaba sólo 2 ranuras 180 grados uno del otro y los otros dos lados sin ranuras para la ranura del tornillo pista abajo a. McMaster Carr también vende este 20mm (. 7874") enmarcando como necesitaba. Así que podríamos colocar en las placas de extremo para el eje Y que es compatible con MakerSlide y para unir el centro de la mesa. Pedimos 3 de ellos 24"(609,6 mm) de largo. Otra vez, siendo ya entonces los originales, sobresale de los lados más no efecto en nada. No corte a una longitud más corta era necesario. El número de pieza de McMaster Carr para la pista de ranura en T es 1850A14 y 20mm (609,6 mm) cuadrado estructura es 5537T117.
Los espaciadores se utilizó entre la pista de ranura en T es. 500"(12.7 mm) cuadrado aluminio tubería y utiliza dos entre cada pista T-Slot. Tenía en stock aquí en nuestra tienda sobrante de un trabajo anterior y sólo se cortan a la misma longitud de (609,6 mm) de 24".
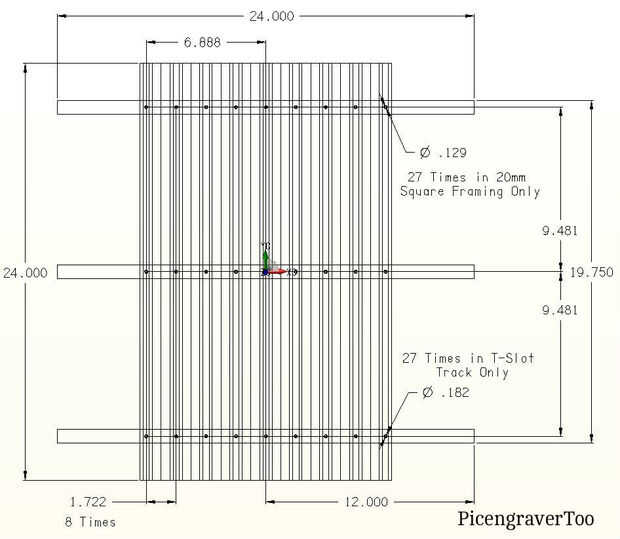
Para unir todas estas partes de la mesa, tomó algunos cálculo y perforar los agujeros en la pista de ranura en T y 20mm (. 7874") estructura de #8 tornillos cabeza hoja de metal. Incluí un dibujo con estas dimensiones generales. Dimensiones de la Shapeoko entre las placas de extremo pueden variar ligeramente, por lo que pueden requeridos algunos ajustes dimensionales.
Funcionó sin apretar todos los tornillos en, entonces utiliza una barra de pinza para apretar todas las pista de ranura en T y espaciadores firmemente y que todo estaba cuadrado y Ras luego apretar todos los tornillos de #8.
Como se muestra en la imagen, dos piezas de material de aluminio fue agregado para el lugar de referencia partida material y para asegurar que el material sería cuadrado en la Shapeoko. Hemos añadido una Tienda Fox Cam abrazadera para sujetar el material en su lugar y su colocación es ajustable en la ranura.
La seguridad es la prioridad número uno para todo el mundo aquí, incluyendo nuestras mascotas, así que agregamos un escudo de luz del láser para el 2 de Shapeoko y los montados con soportes en L de nuestro almacén de hardware local.