Paso 11: Verificar obras motor paso a paso






Prueba y uso
Cura
Vamos a utilizar Cura para administrar nuestros archivos de modelo. Ha incluido a un "hacker" que es la parte que genera la gcode, que nuestra impresora a su vez saber cómo moverse e imprimir lo que queramos.
Pronterface
Vamos a usar Pronterface para ver si nuestros motores mueven la manera correcta. La última versión para Windows, que voy a utilizar, es de febrero de 2015.
Posición del eje de impresora manualmente en el centro de cada eje.
Encienda la impresora
Abrir un software en el host como Pronterface o Repetier
Para conectar el host a la impresora, haga clic en
Mantenga el dedo cerca del botón de parada de la motherboard (por si acaso).
Enviar un comando que mueva el eje de X una pequeña cantidad como + 1 o + 10 mm
Si la impresora se mueve en la otra dirección, deberás invertir la dirección del eje.
Repita para cada eje de X Y Z
¿Dónde ahora?
Hace ya un tiempo pasado escribí en este Instructable, y para la vida de mí no puedo encontrar las fotos que tomé de algunos cubos imprimí
Por el contrario he subido algunas versiones diferentes de la impresora que he creado. Creo que llegué a 5 modelos diferentes, que no estaban satisfecho con la precisión.
Una cosa me siento decir tocada mucho es la entera configuración de extrusora, así que voy terminar hablando un poco sobre el tema.
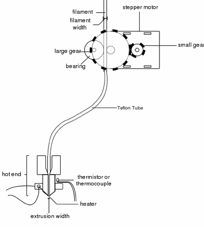
Extrusora, Hotend, directa, engranajes y bowden etc....
Este tema puede ser muy confuso como diferentes configuraciones pueden hacer referencia a las mismas piezas con diferentes nombres.
Permite iniciar en el negocio final. Aquí tenemos la boquilla, produce el plástico fundido. Este inyector se encuentra al final de y es parte de la Hotend. El extremo opuesto de este Hotend, se llama el extremo frío. Esto es donde el filamento plástico entra en el Hotend.
Se llama los extremos fríos como muchos Hotends tienes un ventilador colocado aquí para mantener el filamento frío. No quiere que primaturely del derretimiento. Algunos hotends, como el Jheads y el budanozzle utilizar otros métodos para evitar que el plástico de la fusión.
Algunas impresoras disponen de un motor paso a paso situado hasta el frío del extremo del extremo caliente, junto con un montón de engranajes. Los engranajes y el motor se llama la extrusora.
Las personas con esta configuración a menudo se refiere a la configuración combinada de hotend, el motor y el engranaje como "el estirador". Algunos incluso llaman a esta configuración como una "extrusión directa" como el filamento entra directamente en la extrusora la hotend. Guess descripción más exacta sería "Extrusora directa orientada". En este caso la palabra "directa" indica cómo pone el filamento directamente en coliderado-final de la hotend.
La extrusora es el motor y la parte del tren. Estiradores no todos utilizan engranajes. Los engranajes se llaman extrusoras orientados, mientras que los que sólo se mueve el filamento junto con un solo "poco" unida al eje motor se llama extrusoras directa.
La parte confusa es que si tu motor y engranajes o solo la punta, se encuentra junto al / o en la impresora está usando un tubo de "bowden" para guiar el filamento hasta su hotend. En este caso tiene un "estirador de Bowden". Dependiendo tanto tienes engranajes o no, será un "estirador de Bowden orientado" o un "estirador de Bowden directa".
Una buena lectura aquí en Qué es un estirador de bowden.
Usa una búsqueda "reprap wiki" para buscar información adicional.
Diviértase con esto.
Morten
Dinamarca