Paso 2: Introducción al temporizador 555



El temporizador 555 es un chip de circuito integrado (CI) utilizado en una variedad de aplicaciones de oscilador, generación de pulso y temporizador. Fue introducido en 1971 por la compañía americana Signetics y todavía está en uso generalizado debido a su bajo precio, facilidad de uso y estabilidad. Se ha estimado que 1 billón 555 ICs son fabricados cada año.
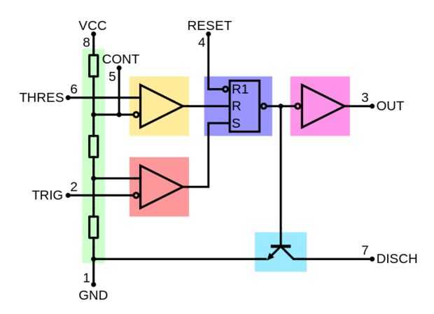
El chip 555 contiene 24 transistores bipolares, dos diodos y 15 resistencias formando seis bloques funcionales:
Bloque verde: Un divisor de tensión compuesto por tres resistencias idénticas conectadas entre la tensión de alimentación VCC (+) y la masa GND (-) genera dos voltajes de referencia 1/3 VCC y 2/3 VCC.
Amarillo bloque: Un primer comparador evalúa la tensión umbral de entrada de pin contra el voltaje de referencia de 2/3 VCC.
Bloque naranja: Un segundo comparador evalúa la tensión de entrada de pin gatillo contra el voltaje de referencia de 1/3 VCC.
Bloque morado: Un flip-flop almacena el estado del temporizador y es controlado por dos comparadores. La entrada de reset puede anular las otras dos entradas que el flip-flop (y por lo tanto el dispositivo contador de tiempo completo) se pueden restablecer en cualquier momento.
Rosa bloque: Una etapa de salida sigue a la salida del flip-flop. El bloque de salida totem-pole se puede cargar en el puerto de salida hasta cerca de 200 mA.
Azul bloque: Un transistor de salida está conectado, a través de su colector, al puerto de salida de descarga.
Es interesante jugar con esta simulación interactiva en línea de las señales dentro del chip 555 temporizador.
Para mayor información, hay mucha información sobre el chip 555 y ver un montón de circuitos de ejemplo en Hablar de la electrónica. (Asegúrese de hacer clic a través de todas las páginas de tres).
También es muy interesante una historia oral del chip 555 temporizador del Semiconductor Museo de sitio. (Asegúrese de haga clic bien en todas las nueve páginas).
Y por último, un bonito vídeo de simulaciones para algunos 555 circuitos.