Paso 3:



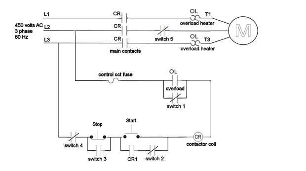
Aquí está una descripción de lo que hará cada interruptor al circuito.
Interruptor 1 simulará una sobrecarga disparada por lo que no hay ningún camino de tensión de control para la bobina del contactor. Esto se logra quitando el circuito interno del interruptor de sobrecarga y poner el interruptor 1 en paralelo. (síntomas: el motor no arranca en absoluto)
Interruptor 2 simulará un contacto fallido 'aferrarse'. logra colocando en serie con el contacto de retención. (síntomas: el motor se arranca cuando se presiona el botón pero cuando se suelta el botón)
Interruptor 3 simulará un botón de parada (sucio / oxidado) 'congelado'. interruptor 3 fue colocado en paralelo con el botón de detener (el motor se inicio pero no)
Interruptor 4 simulará un salto de línea en el circuito de control. Interruptor de 4 en serie con el circuito de control. (El motor no arranca)
Interruptor 5 simulará la pérdida de una fase. El motor se ejecute desigual si ya está ejecutando, pero no arranca si. Se llama fase. 5 el interruptor en serie con el conductor de 'T2'. (no tenía tiempo para completar antes de presentar instructible)
Un interruptor adicional podría ponerse en paralelo con el fusible de control para simular un fusible fundido. El fusible actual tendría que ser un fusible ya o diferencias se mediría en voltajes.