Paso 1: Reunir los componentes electrónicos


Todos los componentes electrónicos pueden obtenerse Digikey u otras fuentes. Usted tendrá un montón de colores diferentes de hilo, también.
Tendrá que ser capaz de programar el microcontrolador PIC-un PICKit2 o ICD-2 o a cualquiera de los cientos de otros programadores pueden hacer el trabajo. Un programador adecuado tendrá un costo de unos $20, pero una vez que tenga usted encontrará a todo tipo de proyectos que pueden utilizar microcontroladores y conseguirá mucho uso de ella.
Cuando compré mi PICKit2 de digikey pedí un paquete de accesorios de cinco fichas PIC10F206 con adaptadores DIP de 8 pines. El IC es en un pequeño paquete de SOT23 que está muy bien si vas a hacer un PCB pero bastante inútil para diseño y excepcionales proyectos de construcción. El 10F206 también está disponible en una 8 pin DIP paquete-le sugiero que utilice.
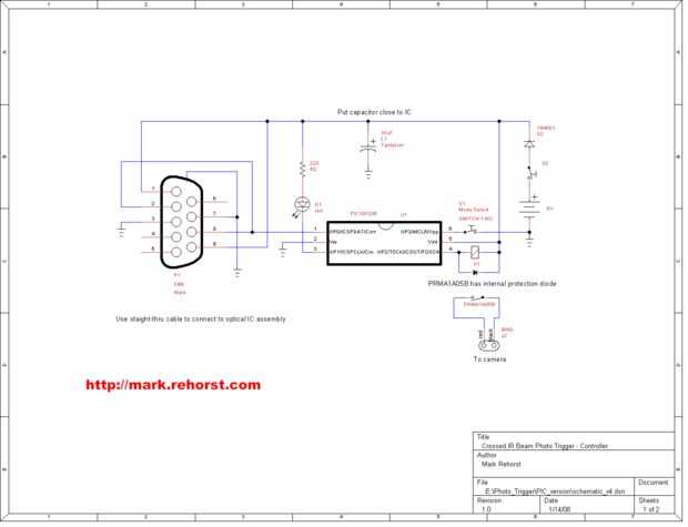
No he proporcionado información de diseño de PCB para el controlador de aquí porque no usar un PCB. El circuito es tan simple que parece algo tonto hacer un PCB para él. Hay sólo 4 piezas en el tablero - el relé, la uC, la tapa de derivación y una resistencia. El circuito requiere menos piezas que un circuito de chip 555 temporizador. Sólo cortar algunos tabla perf para lo que estás usando la caja y conectar la cosa. Deben tomar de 30 minutos principio a fin.
Los circuitos ópticos son bastante simples-un IC, una gorra y un LED. El LED y el IC óptico entran las esquinas diagonalmente opuestas de la tubería, por lo que vas a necesitar un montón de alambre de colores. Que "montado" el IC y el condensador en pequeños pedazos de tablero perf que encajan en tapa enchufes para las guarniciones de codo de PVC en el marco-ver fotos en la página siguiente.