Controlador de Motor DC para la bicicleta eléctrica (2 / 8 paso)

Paso 2: Dibujos esquemáticos

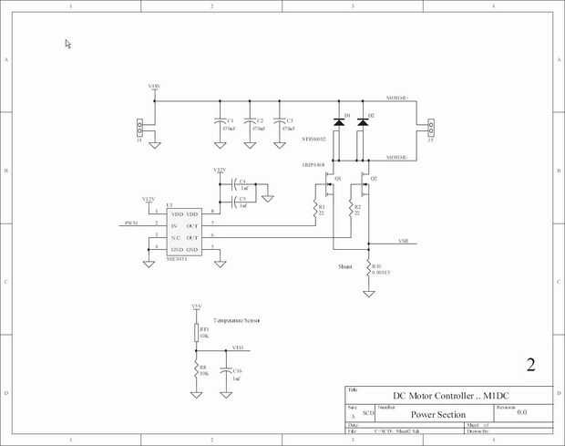
Aquí están los dibujos esquemáticos. La hoja 1 es la sección digital y hoja 2 es la sección de potencia.

Artículos Relacionados

Un puerto de carga USB para una bicicleta eléctrica

Un puerto de carga USB para una bicicleta eléctrica

este instructable le mostrará cómo construir un puerto para una bicicleta eléctrica de carga USB.  Este proyecto es básicamente un convertidor DC-DC que toma energía de la batería de una bicicleta eléctrica (generalmente de 24V, 36V o 48V) y lo convi
Cómo hacer una batería de litio para una bicicleta eléctrica

Cómo hacer una batería de litio para una bicicleta eléctrica

Bicicletas eléctricas utilizan baterías de celdas de iones de litio. Uno de los tipos más comunes es una célula cilíndrica llamada una célula 18650, nombrado tan porque es 18 mm de diámetro y 65 mm de largo. Te voy a mostrar cómo crear tu propia bate
Construcción de tablero de doble controlador de Motor L293D para Arduino

Construcción de tablero de doble controlador de Motor L293D para Arduino

Hola a entusiastas de Instructables...Hoy en día comprar los tableros para los proyectos es muy caro... Pero se puede construir a muy bajo costo.Requerí tablero de conductor del motor de puente H dual L293D para mi siguiente instructables.Por lo tant
Bicicleta eléctrica (ebike) montaje del Kit de conversión - motor del eje, instalación del paquete del controlador y la batería

Bicicleta eléctrica (ebike) montaje del Kit de conversión - motor del eje, instalación del paquete del controlador y la batería

Este instructivo está diseñado para ayudarle a ahorrar tiempo y problemas si usted decide convertir tu bici en una bicicleta eléctrica con un kit de conversión bicicleta eléctrica.actualizaciones 18/11/2010:Ahora doble reviso todos los proveedores de
II GOduino = Arduino + controlador de Motor L293D Velocidad Variable

II GOduino = Arduino + controlador de Motor L293D Velocidad Variable

versionesGOduino II fue presentado en dangerousprototypes.com07/04/2012 he añadido una diapositiva del presupuesto para aquellos lectores que preguntaban donde obtuve mi presupuesto < $20 para el II de GOduino.INTRODUCCIÓNEl GOduino II es un controla
Circuito controlador de motor de $1 para Arduino

Circuito controlador de motor de $1 para Arduino

La historia de este escudo del motor es que yo quería hacer un robot para mi sistema controlado por ondas cerebrales multifuncional y decidí compartir esto con ustedes. Es un circuito muy simple utiliza el CI L293D que es un controlador de doble puen
Usar una caminadora DC Drive Motor y controlador de velocidad PWM para accionar herramientas

Usar una caminadora DC Drive Motor y controlador de velocidad PWM para accionar herramientas

pueden requerir herramientas eléctricas tales como molinos de corte de metales y tornos, taladros, sierras, lijadoras y más .5HP a 2HP motores con la capacidad de ajustar la velocidad manteniendo el esfuerzo de torsión.Coincidentemente la mayoría de
Motor del eje de la bicicleta eléctrica - cómo reemplazar un Sensor de efecto Hall

Motor del eje de la bicicleta eléctrica - cómo reemplazar un Sensor de efecto Hall

motores sin escobillas usan controladores electrónicos en lugar de sistemas de cepillo para controlar la sincronización y la distribución de potencia al motor. Para hacer esto, algunos sistemas de control utilizan sensores de efecto hall dentro del c
CFL faro y luz trasera para bicicletas (eléctricas)

CFL faro y luz trasera para bicicletas (eléctricas)

"Eléctrico" está entre paréntesis porque la necesidad de CFL (lámpara fluorescente compacta) un voltaje de DC lo suficientemente alto como para iniciar y llevar una batería tan grande alrededor de la moto no es práctico a menos que ya necesite p
Controlador de Motor DC

Controlador de Motor DC

Este simple controlador de motor DC permite un control de motor la dirección y ha sido construida completamente de componentes eléctricos reclamados. Uso de MOSFET para control del motor en lugar de chips de control, permite una fuente de alimentació
Módulo del controlador del motor

Módulo del controlador del motor

Hola chicos.Este es mi primer Instructable, espero que te guste.En este Instructable voy a mostrarte cómo hacer a un controlador de motor módulo por sólo $1 y pocos bukos. Es muy fácil, pero todo lo que necesitas es algunos conocimientos básicos de s
Caseros 100 HP controlador de Motor de un coche eléctrico

Caseros 100 HP controlador de Motor de un coche eléctrico

este instructable explica cómo construir su propio controlador de motor de 100 HP (pico) para su uso en una conversión de coche o moto eléctrica.  Puede tomar cualquier voltaje hasta 144v, y la corriente máxima es de 500 amp.  El costo de los compone
Hacer un generador de ultra barato para su bicicleta (por medios baratos de casi suciedad!)

Hacer un generador de ultra barato para su bicicleta (por medios baratos de casi suciedad!)

Hoy me gustaría mostrarle cómo construir un muy barato pero trabajo generador de bicicleta. Mi idea es no competir con una "Dinamo" comprada, pero en cambio enseñándote un divertido proyecto de basura (y algunos de la ciencia detrás de él).Paso
Fácil controlador de Motor DC

Fácil controlador de Motor DC

si usted está construyendo un robot u otro gadget de microprocesador, tendrá que conducir motores hacia delante y hacia atrás. En este instructable, te demuestro un circuito simple y de bajo costo que controla un motor DC de dos pines de I/O. No se r