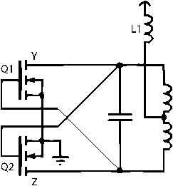
Paso 13: Cómo funciona la la ZVS


Cuando se aplica energía al circuito, la corriente empieza a fluir a través de L1 y desagüe de los MOSFET por medio del centro aprovechado bobina de carga. Simultáneamente, esta tensión aparece en ambas puertas y comienza a encender el MOSFET. Puesto que no hay dos FETs son iguales, uno más rápido que el otro se enciende y arrastra hacia abajo de la tensión en la puerta del MOSFET opuestas. Un FET ahora está trabada mientras el otro está apagado. El circuito el condensador del tanque impide permanecer en este estado ya que la resonancia LC provoca una sinusoidal reactancia en el circuito; reactancia que se 'flip' Estados los MOSFETs y los piensos más actual en el tanque. Esta oscilación continúa hasta que se quita poder o cierta inestabilidad como un inductor de carga saturada cierres un MOSFET y explota el circuito.
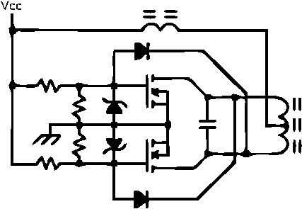
Mientras que el circuito funcionaría en teoría, tal un oscilador resulta para ser muy poco fiables sin algunas modificaciones. En vez de conectar las puertas directamente al tanque de LC, sería más sabio por el contrario dejarlos normalmente se detuvo por un par de resistencias, donde el tanque LC tierra alternativamente las puertas mediante diodos ultra rápida retroalimentación. Este método asegura que no hay corrientes vagabundas bloquear las puertas y matan el circuito. [imagen 2]
Por supuesto puertas MOSFET no tolerará un VGS superiores a 30V, por lo que es una sabia idea de utilizar diodos zener de 18V para proteger la puerta de tales tensiones exceso. Resistencias de descarga de 10K aseguran de que no los cargos quedan en la puerta mientras que está siendo derribado por un diodo de retroalimentación.
Si confunde el outt'a infierno, esta simulación podría ayudar!