Paso 6: Lo que pasa donde... ¿HACER SU PROPIO CONTROLADOR? USTED NECESITA ESTA CARTA!!!



He creado esta tabla de Excel que le dirá que pernos gancho hasta donde construir el controlador de circuito cuando para cualquier microcontrolador.
He encontrado este gráfico indispensable al diseñar mis propios circuitos para este proyecto.
Realmente utilicé esto en lugar de un esquema una vez que tuve la Carta compuesta.
Nota: realmente no discutir el "encabezado de tecnología avanzada" que está en la tabla de Excel porque durante el curso de hacer este instructable, pasé todos los componentes a una tabla, eliminar la cabecera entre el AVR y el conductor tableros completamente. Hice la carta cuando todo pero el AVR era un tablero y cada tipo de AVR tiene es propio tablero que conectado a través de una rúbrica de 26 pines.
EL GRÁFICO DE EXCEL TAMBIÉN ES UNA DE LAS MEJORES HERRAMIENTAS DE SOLUCIÓN DE PROBLEMAS
Si las cosas han ido mal durante la construcción de su circuito, te da una referencia fácil para hacer comprobaciones de continuidad con de pin a pin de sus componentes.
Si quieres hacer tu propio circuito impreso o a mano alambre del circuito, usted realmente debe hacer una copia de esto!
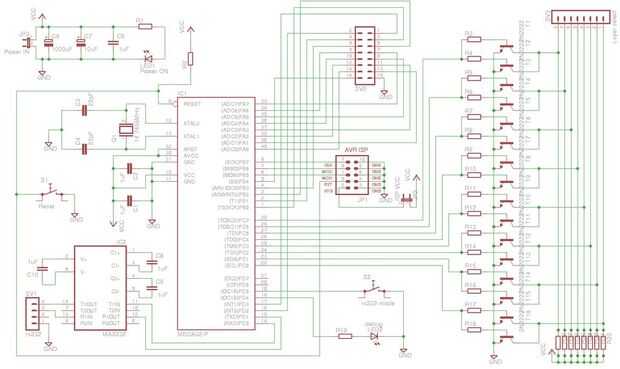
También estoy incluyendo los esquemas de original de CHR instructable.
Mis tableros de PC prácticamente se adhieren a este esquema, con la cabecera y poder suministrar circuitos eliminados.
También estoy incluyendo mi estándar de cableado de cubo para cabeceras de 40 pines doble.
Encuentro 2 cables mucho más aseada de 9 o más.
Si desea utilizar uno de mis consejos y construyen su propio cubo, esta es la manera de cable a los conectores.
Porque el Arduino (ATmega328) sólo tiene 20 líneas de la entrada-salida que necesitamos para manejar el cubo, algunos pernos sirven de doble función, porque no son sólo una salida del cubo, sino que son también cosas como TTL serie líneas, o líneas de conexión ICSP. Por esta razón, usted puede ver algunos pins enumeran más de una vez o un solo perno en la lista con más de un función.