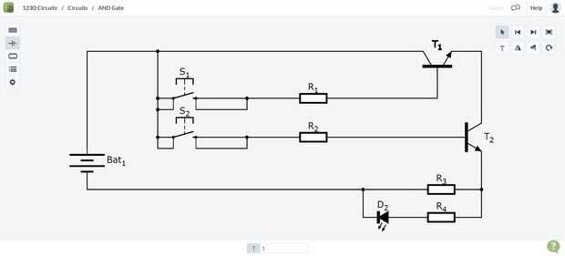
Paso 3: Dibujar el circuito



Utilizando el esquema mostrado nos podemos empezar a construir nuestra puerta y. Cada componente en el esquema representa un módulo de Electroninks. Utilice la plantilla para dibujar una huella para cada módulo. Es más fácil colocar las huellas en aproximadamente la misma ubicación en la página como en el esquema. Una vez que sus almohadillas se dibujan puede conectar las zapatas módulo siguiendo el esquema.