









Desde que empecé haciendo correctamente electrónica, siempre me gustó la idea de un componente electrónico como esencialmente simple como el JFET.
El JFET primero fue teorizada en 1925 por Julius Lillenfield pero no se construyó hasta mucho más tarde. Tanto como el JFET fue teorizado muchos años antes de muchos transistores de ensambladura bipolar que ves hoy en día, que no fue construido hasta mucho más tarde. En aficionado, no tienen una gran cantidad de usos (a diferencia del MOSFET y de BJT).
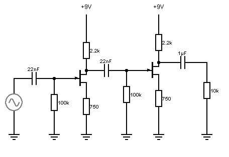
Si la transferencia se observan curvas de un JFET antes de saturación, es muy parecido a la curva de transferencia de un triodo. Esta es una región muy lineal y proporcionará limpia y amplificación. He incluido un cuadro de comparación de la común triodo 12ax7 en comparación con un JFET 2n5457. Otra de las ventajas de un JFET es que la puerta tiene una muy alta impedancia de entrada, que es muy útil para instrumentos como la guitarra en la preservación de las frecuencias altas. La desventaja de JFET es que a veces puede tener demasiado de un drenaje de corriente para fuentes de baja impedancia. Por suerte, en este día y edad, amplificadores de guitarra y efectos de guitarra post generalmente tienen una alta impedancia de entrada, por ejemplo, las características de Ibanez Tubescreamer humildes una impedancia de entrada de alrededor de 500k.
En amplificadores JFET basado, la impedancia de entrada es bastante determinada por la resistencia de la puerta que viene después del entrada del condensador a tierra.