
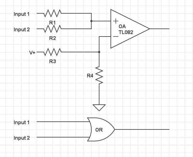
Resistencias de 3 y 4 se utilizan para sesgar la entrada no inversora y resistencias 1 y 2 se utilizan en un promedio de las dos entradas.
Resistencias 1 y 2 deben ser iguales y resistencia 3 debe seleccionarse para ser dos veces el valor de resistencia 4. También se recomienda que resistencias de 3 y 4 son valores muy grandes ya que tienen una corriente constante a través de ellos y si se elige una resistencia baja pueden tener un uso de alta potencia.
Ahora, si las entradas 1 y 2 que ambos van bajo (0 V), o menor que la entrada del perno sin inversión, la salida va a ir bajo. Si cualquiera de las entradas es alta la salida irá alto. También puede cambiar los pins del comparador para crear una puerta NOR.
Ambas entradas tendrá que ser valores de lógica (alta o baja) para que funcione correctamente. Si está ejecutando analógico como los valores a través de este circuito irá bajo a 1/3 V + en lugar de en 0 V (debido a la selección de resistencia de 3 a 2 veces el valor de resistencia 4). Obviamente puede seleccionar resistencias de 3 y 4 para hacerlo más preciso para señales analógicas, pero nunca será perfecto.