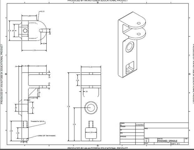
Paso 7: Ejes y husillos






Pronto nos dimos cuenta que nuestras llantas fueron tan costumbre que no adaptamos prefabricados piezas de otros vehículos para montar a ella. Las llantas tenían seis agujero patrón de montaje y por esta razón a regañadientes tuvo que diseñar cubos personalizados para montar a ella.
El trabajo de centros es proporcionar un giro punto para las llantas de montaje. Los cubos de la casa presionados en su interior los rodamientos y también tienen el rotor de freno montado en ellos.
Aún más lamentable fue que la única manera de obtener las características de suspensión que necesitábamos algo que podría perno a nuestros núcleos de encargo fue diseñar un eje personalizado así. Trabajo del huso es unir la suspensión entera. Un eje de funcionamientos se pulsa en él y sale el extremo para proporcionar una superficie de los hubs a girar en. El eje también tiene puntos de montaje de las pinzas de freno, la charnela de dirección y los extremos de barra en los brazos de control.