Paso 10: Fans

Se necesita:
Herramientas:
- Sierra de cinta
- Pistola de calor
- Taladro
- 9/64" broca
- Llaves hexagonales
- Llave
- Marcador Sharpie
Partes:
- Tornillos de cabeza hueca TETRIX
- Plástico PETG
- Ventiladores de computadora grande, 12V 2.0A (x 2)
- Opcional:
- Cinta de embalaje
- Cartulina
- Ventilador de ordenador pequeño, 12V
Asamblea:
Nota: Dimensiones pueden variar dependiendo qué ventilador tamaño que esté utilizando.
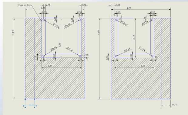
- Cortar dos 4.75" por 6.5" rectángulos de plástico PETG.
- Coloque los dos ventiladores de computadora grande sobre la mesa, con el lado de la parrilla hacia abajo.
- Pone el PETG encima de cada ventilador, alineando los ventiladores como se muestra en la figura 1. Nota: Los dos lados no será idénticos; deben ser imágenes de espejo uno del otro.
- Trace el borde del ventilador en el plástico con un marcador permanente.
- Marque los orificios del ventilador en el plástico.
- Trazar un cuadrado dentro de los agujeros, dejando suficiente espacio para el error de perforación.
- Utilizando un 9/64" broca de taladrar el tornillo orificios que usted previamente marcado en el paso 5.
- Con una sierra de cinta, corte el cuadrado del paso 6.
- Trace una línea punteada ¾" desde el borde lateral del plástico con un marcador permanente.
- Soporte plástico verticalmente sobre un angular (Figura 2) y marque dos orificios en el plástico. Estos agujeros se utilizará para sujetar el plástico al marco, así que asegúrese de alinear los orificios de la barra de ángulo. No permita que los agujeros pasar la línea marcada en el paso 10.
- Perfore los dos agujeros hacia fuera para cada pieza de plástico, así como otro orificio hacia el borde inferior del plástico. (Figura 2)
- Coloque las placas de plástico a ambos lados de la impresora.
- Utilice una pistola de calor para crear una curva de 90 grados a lo largo de la línea marcada en el paso 10. Utilice la pistola de calor para el plástico de la plataforma así como la flexión.
- Conecte los ventiladores a las láminas de plástico.
- Opcional: Coloque un ventilador más pequeño en el canal C grande del carro de elevación de eje x. Use cinta, cartulina, etc., para dirigir el flujo de aire hacia el centro de la plataforma de la construcción. (Figura 3)