Paso 2: esquemático

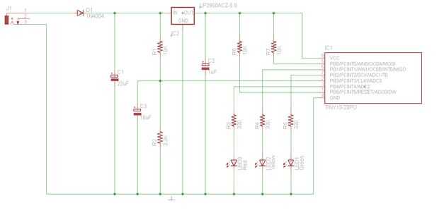
Voltaje de la batería se mete en el monitor de baterías a través del conector J1. Diodo D1 se utiliza para proteger todo el circuito contra inversión de polaridad accidental de las baterías en caso de que decida probar la batería directamente a través de sus terminales en el compartimiento del motor. Debe conectar los cocodrilos prueba invertidos, no pasará nada.
IC2 es un + regulador de voltaje bajo de la salida de 5V. Su gama de voltaje de entrada, con una carga de 100mA - varía entre 5.4V hasta su máximo absoluto de 30V. Admito que para esta batería vigilar un 78L 05 + regulador de voltaje 5V habría sido más que suficiente, sin embargo, tuve no 78L05s y varios LP2950CZA-5.0 chutando alrededor en mi caja de chatarra. Los condensadores C1 y C2 (22uF y 1uF) son de entrada del regulador de voltaje y salida de filtros. Si desea utilizar pin-compatible con 78L 05 Voltaje regulador en su lugar, use un condensador de 10uF como C2.
El voltaje de la batería alimenta tanto el regulador de voltaje y el circuito de entrada de ADC a ATtiny a través de un divisor de tensión formado por un resistor de 10K y una resistencia de 3.3K marcado como R1 y R2 respectivamente. Este divisor de tensión se usa para reducir el voltaje de la batería a un rango de voltaje de entrada seguro entre 0V y + 5V para las entradas analógicas del ATtiny. Este divisor de tensión permite que el voltaje de la batería de un coche máximo de 20.8V para esta gama de voltaje de entrada. Para suavizar esta tensión de entrada analógica, un 10uF (C3) se utiliza para reducir el ruido.
La salida visual del usuario se muestra por medio de tres LEDs. Un LED rojo (LED 3) se muestra demasiado bajo un voltaje o una sobretensión peligroso. Un LED amarillo (LED2) muestra un moderado bajo voltaje y el LED verde (LED 1) muestra buen voltaje y tensión de carga segura. Cada LED viene con sus respectivo actual limitador 330 Ohm resistencias R3, R4 y R5. Resistencias R6 y R7 a 10K cada uno son levantan resistencias de entradas no utilizadas.