Paso 9: electrónica

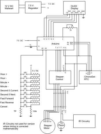
El controlador para que el reloj está basado en un Arduino Uno. Obtiene la fecha y hora de un reloj de cristal de alta precisión (ChronoDot). Este reloj de tiempo real (RTC) detecta la temperatura del entorno y utiliza un banco de capacitores para cambiar valores de condensador diferentes dependiendo de la temperatura. Pretende precisa en menos de un minuto por año.
El motor de pasos (28BYI-48) es conducido por un Consejo Regulador pequeño (ULN2003). Una pequeña pantalla OLED también se utiliza para mostrar la fecha y la hora en la caja de control.
Por último, 6 botones puede utilizarse para ajustar el RTC y ejecutar el reloj mecánico avance rápido o retroceso rápido.
Por el momento, pasar por alto la sección del esquema de etiquetado como "Circuitos de IR"
Las funciones básicas en el sketch de Arduino con unidad de reloj son muy simples. Cada segundo, 8 pulsos son enviados al motor paso a paso que gira el eje de la segunda por 6 grados. Sí, es más el dibujo. Necesitamos obtener la fecha y hora, control de la OLED exhibición y tomar acciones como se pulsan los botones.
El sketch de Arduino asociado no está incluido aquí por una razón muy buena. NO HA FUNCIONADO.
Corriendo el reloj, las cosas parecían estar funcionando bien. Calibrado de las manos con el tiempo electrónico y se alejó. A la mañana siguiente, el tiempo mecánico fue más rápidos que el reloj RTC dijo varios minutos.
¿Qué pasa? Horas y horas de búsquedas en Internet dio lugar a una sorpresa. Las especificaciones del motor paso a paso fueron mal. El engranaje de reducción interna se dice que es 1: 64. Resultó que es no es exactamente cierto. Es algo como 1:63.876 o algo así. Que parecía hundir este proyecto en conjunto.
No estaba a punto de cometer la cosa a la basura después de todo este sangre y sudor del mecanizado de muchas piezas.
Atentos a varios intentos de reflotar el proyecto.