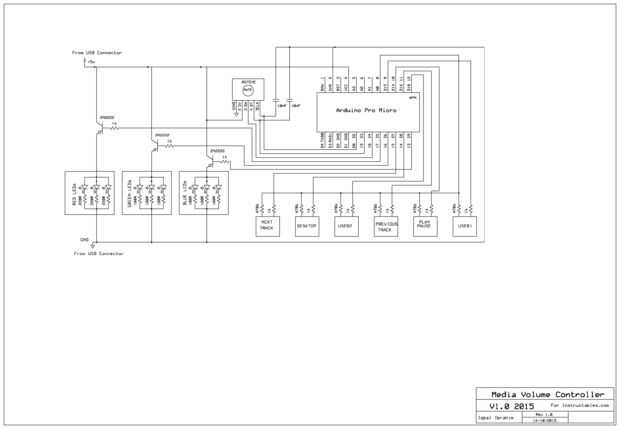
Paso 5: Cableado lo todo












Compruebe el esquema para asegurar que alambre todo correctamente - el esquema se relaciona con el código de Arduino. Asegúrese de que el código de Arduino se ha subido en primer lugar, desconecte todo y continuar a conectar todo, según el esquema.
Hice un conjunto de botones capacitivos de prueba sobre un trozo de cartón pero no tomo una foto de esto en el tiempo por desgracia.