Regulador de lanzamiento de cohete modelo DIY (2 / 3 paso)

Paso 2: conectar

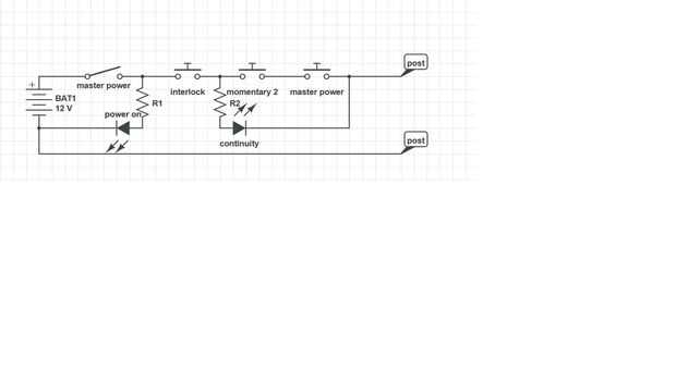
Casi todas las conexiones son en serie con la excepción de los leds si usted los usa. El esquema muestra cómo las cosas se enganchan para arriba. Si se utiliza el uso de continuidad dirigido una resistencia un poco más alta entonces necesita, el led no debe dejar que suficiente energía fluya a través al encendedor pero una resistencia más alta le ayudará a asegurarse de que. Dos interruptores momentáneos no son necesarios, pero añadir un poco más de seguridad. La fuente de poder no tiene que ser 12v pero tendrá que ser más de 6v y ser capaces de proporcionar suficiente corriente.
Todos los componentes del lanzador necesitan cerrar el Launcher trabajar.

Artículos Relacionados

Regulador de lanzamiento de cohete modelo agregado a poder herramienta batería cargador

Regulador de lanzamiento de cohete modelo agregado a poder herramienta batería cargador

Resumen: Este proyecto utiliza un puñado de componentes electrónicos y circuitos relativamente simples para modificar un poder herramienta batería cargador para funcionar también como un modelo cohete lanzamiento controller. lo importante, el cargado
Cómo crear un controlador de lanzamiento de cohete modelo con llave extraíble

Cómo crear un controlador de lanzamiento de cohete modelo con llave extraíble

Estas instrucciones lo guiarán a través de un controlador de lanzamiento de cohete modelo con llave extraíble para uso con Estes estándar encendedores de cohete. Construcción de un controlador de lanzamiento con una llave extraíble le permite desacti
Plataforma de lanzamiento de cohete modelo

Plataforma de lanzamiento de cohete modelo

Se trata de cómo hice un par de cojines del lanzamiento de plegamiento con cohetes modelo de potencia media.Los cojines del lanzamiento están hechos de madera contrachapada junto con algunos trozos de otros materiales comunes. Pliegúese para el almac
Regulador de lanzamiento de cohete portátil

Regulador de lanzamiento de cohete portátil

mano controlador de lanzamiento de coheteAntes de empezar quiero reconocer que no utilizo un interruptor de bloqueo. Cuando hicimos esta unidad podríamos no conseguir uno localmente y pedidos en línea toma una semana o más a nuestro lugar así que dec
Modelo controlador de lanzamiento de cohetes

Modelo controlador de lanzamiento de cohetes

hace dos semanas, entré en el laboratorio de física para ver la tecnología de laboratorio dibujar un diagrama del circuito en el tablero. Rápidamente quedó claro que este diagrama es para un controlador de lanzamiento para los cohetes modelo. Al pare
Montar un cohete modelo

Montar un cohete modelo

asignación de clase para un Humanidades, nos dijeron para hacer algo DIY. Las limitaciones fueron cerca de inexistente, así que decidí basar mi proyecto fuera algo me encanta, espacio. Ahora, no tengo el dinero realmente enviar algo al espacio, así q
Hacer tu propio cohete modelo!

Hacer tu propio cohete modelo!

Como este es mi primer Instructable, por favor Perdóname por los bordes ásperos. Saludos y gracias por leerme!¿Has alguna vez has querido probar cohetes pero no quería salir y comprar un kit? En este Instructable mostraré cómo diseñar y construir tu
Cohetes modelo impreso 3D y soporte

Cohetes modelo impreso 3D y soporte

en este instructable nos va creando un cohete modelo impreso 3d lanzamiento de soporte, y un 3d imprimir cohete modelo. He hecho este instructable simple posible y que se centrará en montaje 3d impresas y no en cómo crearlos.Espero que disfruten este
Lanzador del cohete modelo de Arduino para 3D impreso cohetes

Lanzador del cohete modelo de Arduino para 3D impreso cohetes

Cuando yo era un niño, me encantaba jugar con cohetes Estes, así que decidí volver a la afición pero con todos mis skizzls del fabricante. Así que aquí está un lanzacohetes Arduino genial lanzamiento 3D impreso cohetes desde mi MakerBot Rep2! ¡ Disfr
Sistema de lanzamiento de cohete RC

Sistema de lanzamiento de cohete RC

este instructable le mostrará cómo hacer un RC sistema de para el cohete de Estes, que puede funcionar con un TV remoto. Lo que hace es que permite que usted pulse el botón central en el televisor remoto y automáticamente lo a lanzar el cohete. De es
Impresión 3D vuelan cohetes modelo

Impresión 3D vuelan cohetes modelo

Impresión 3D ofrece nueva creatividad en el mundo de la fabricación y diseño del modelo de cohete.Arriba es un modelo de computadora de algunos impresos cohete volador de modelo.En estas instrucciones te llevaré a través de los pasos necesarios para
Radio telemetría para un cohete modelo

Radio telemetría para un cohete modelo

vuelan cohetes modelo es divertido, pero siempre existe la pregunta de qué tan alto lo hizo ir. Utilizando un microcontrolador programable y algunos sensores, puede supervisar la fase entera de vuelo y aceleración medida y altura, entre otras cosas.
Cómo construir un registrador de datos GPS de peso ligero para aplicaciones de cohete modelo

Cómo construir un registrador de datos GPS de peso ligero para aplicaciones de cohete modelo

de febrero de 2009ResumenHe estado soñando de la construcción de un equipo de vuelo que no sólo controlan la secuencia de vuelo, sino también registrar datos a bordo de un cohete modelo. Pero necesito a caminar antes de puedo correr, así que empecé c
Encendedor de cohetes modelo remoto

Encendedor de cohetes modelo remoto

este proyecto es un sistema de ignición para los cohetes modelo de estes. Es accionado por una batería de 9V, por lo que el motor del cohete tiene un 99% de probabilidad de ignición correctamente. Tiene un interruptor de seguridad, un LED armado y un