PUERTAS lógicas (5 / 8 paso)

Paso 5: Ni la puerta

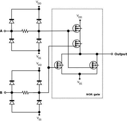
NOR la puerta tal vez es la puerta más útil de todos. Es lo opuesto de una puerta OR, el nombre significa "O no". Como la puerta del NAND esta puerta puede utilizarse también para hacer cualquier otra puerta. Q=(not) A o B (de ahí el nombre ni puerta). Voy a hacer un paso extra para todos los usos de la NOR y NAND puertas porque hay muchos.

A | B | Q
0 | 0 | 1
0 | 1 | 0
1 | 0 | 0
1 | 1 | 0

Artículos Relacionados

Puertas lógicas: la y

Puertas lógicas: la y

puertas lógicas son los ladrillos de los ordenadores y los transistores han hecho puertas lógicas barato, peso ligero y confiable. Tres patas metálicas los transistores - colector, base y emisor - controlan el flujo de electrones y determinan si la c
Construcción de puertas lógicas con transistores NPN

Construcción de puertas lógicas con transistores NPN

En este instructable, vamos a construir la no, las puertas lógicas AND, OR usando transistores NPN.El siguiente enlace cubre los fundamentos de las puertas mencionadas: puertas lógicas digitales (parte 1)Piezas necesarias:ProtoboardBatería de 9VConec
Puertas lógicas con transistores NPN

Puertas lógicas con transistores NPN

Hola chicos, en este tutorial le mostrará algunos NPN transistor basado en puertas lógicas.Lo que usted necesita-Un protoboard-Un manojo de resistencias de 5k y 10 k y transistores-A LEDUsted puede utilizar cualquier transistor de tipo NPN (por ejemp
Las puertas lógicas en Minecraft

Las puertas lógicas en Minecraft

en el último instructivo, enseñó a construir este sumador simple, pero no explican cómo las cosas realmente trabajaban. Si te fijas bien en el redstone construye, te darás cuenta de que en su nivel más básico, compone de estas cuatro cosas:Cableado,
Puertas lógicas con Minecraft de aprendizaje

Puertas lógicas con Minecraft de aprendizaje

puertas lógicas son un componente clave para la fabricación de computadoras. Ellos pueden representarse fácilmente mediante función de redstone de minecraft. Uso de Minecraft es una gran manera para poner a prueba electrónica antes de que físicamente
Circuitos y puertas lógicas simples

Circuitos y puertas lógicas simples

Las puertas lógicas son algunos de los bloques de edificio básicos de circuitos de lógica digital. En este Instructable hablamos sobre algunos de los más sencillos de estos dispositivos y ver algunas de las divertidas cosas que puedes hacer con ellos
Puertas lógicas - y y o

Puertas lógicas - y y o

La base de construir cualquier circuito lógico (incluso uno tan complejo como una computadora) trata de puertas lógicas. A discutir las 2 más básicas puertas lógicas hoy y una puerta y una puerta OR.Las puertas lógicas son circuitos físicos que imple
Utilice el comparador como puerta lógica y

Utilice el comparador como puerta lógica y

cuando tienes algunos comparadores ya en tu circuito o integrado en el MCU, hay algunos trucos útiles que puede utilizar.  A continuación le mostrará cómo se puede utilizar un comparador para hacer una puerta lógica y.Resistencias de 3 y 4 se utiliza
Puerta lógica con diodos

Puerta lógica con diodos

Hoy en día es el instructable sobre cómo hacer tu propio puertas lógicas mediante el uso de los diodosTambién verifica la salida mediante el uso de un LEDQue todo hecho en PROTEUS 8Ver todos los pasos en un breve Clip de Video completoPaso 1: O de la
Puerta lógica con diodos y Transistor

Puerta lógica con diodos y Transistor

Hoy en día es el instructable sobre cómo hacer tu propio puertas lógicas mediante el uso de los diodosTambién verifica la salida mediante el uso de un LEDQue todo hecho en PROTEUS 8Ver todos los pasos en un breve Clip de Video completoPaso 1: Puerta
NAND puerta lógica utilizando circuito Scribe

NAND puerta lógica utilizando circuito Scribe

Electroninks nos muestra cómo crear una puerta y lógica utilizando CircuitScribe. Me gustaría añadir a esto con un Instructable replicar mi favorita lógica – puertas NAND. Estos son mis favoritos circuitos de lógica, simplemente por el hecho de que c
Circuito de Escribano no puerta lógica

Circuito de Escribano no puerta lógica

Una puerta de lógica no utilizando el circuito Escriba dev kitPaso 1: Lo que usted necesita-Es necesario:Pluma de tinta conductoraRegla de la componente magnética de Electroninks (la cosa de plástico transparente con agujeros)Una superficie no conduc
Puerta lógica o

Puerta lógica o

o la puerta es una puerta de lógica booleana que representa además en Álgebra básica. Si cualquiera de las entradas o las entradas a una base o puerta se ven obligadas a lógica alta (1) la salida se ve obligadas a lógica alta (1). Si ambas de las ent
Tutorial de cadencia: Silicio las puertas lógicas (Iowa estado Universidad EE330 laboratorio 4)

Tutorial de cadencia: Silicio las puertas lógicas (Iowa estado Universidad EE330 laboratorio 4)

la aparición de la electrónica ha revolucionado muchos aspectos de nuestra vida cotidiana. Electrónica se utilizan en o utilizada para crear casi todos los productos comprados hoy. Si es la electrónica que el más nuevo sistema de juego de video o los