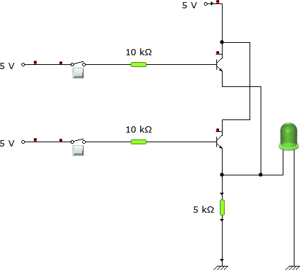
Puertas lógicas con transistores NPN (7 / 15 paso)

Paso 7: O puerta

o la puerta es una puerta de lógica booleana que representa además en Álgebra básica. Si cualquiera de las entradas o las entradas a una base o puerta se ven obligadas a lógica alta (1) la salida se ve obligadas a lógica alta (1). Si ambas de las entradas se ven obligados a una lógica de baja (0) la salida se ve obligada a una lógica de baja (0). Esto se parece a la declaración de adición donde se permiten solamente variables Booleanas.

Para la lógica OR, los transistores están en paralelo y la salida es conducida si cualquiera de los transistores está llevando a cabo.

Artículos Relacionados

Construcción de puertas lógicas con transistores NPN

Construcción de puertas lógicas con transistores NPN

En este instructable, vamos a construir la no, las puertas lógicas AND, OR usando transistores NPN.El siguiente enlace cubre los fundamentos de las puertas mencionadas: puertas lógicas digitales (parte 1)Piezas necesarias:ProtoboardBatería de 9VConec
Puerta lógica con diodos y Transistor

Puerta lógica con diodos y Transistor

Hoy en día es el instructable sobre cómo hacer tu propio puertas lógicas mediante el uso de los diodosTambién verifica la salida mediante el uso de un LEDQue todo hecho en PROTEUS 8Ver todos los pasos en un breve Clip de Video completoPaso 1: Puerta
Puertas lógicas con Minecraft de aprendizaje

Puertas lógicas con Minecraft de aprendizaje

puertas lógicas son un componente clave para la fabricación de computadoras. Ellos pueden representarse fácilmente mediante función de redstone de minecraft. Uso de Minecraft es una gran manera para poner a prueba electrónica antes de que físicamente
Puerta lógica con diodos

Puerta lógica con diodos

Hoy en día es el instructable sobre cómo hacer tu propio puertas lógicas mediante el uso de los diodosTambién verifica la salida mediante el uso de un LEDQue todo hecho en PROTEUS 8Ver todos los pasos en un breve Clip de Video completoPaso 1: O de la
Puertas lógicas: la y

Puertas lógicas: la y

puertas lógicas son los ladrillos de los ordenadores y los transistores han hecho puertas lógicas barato, peso ligero y confiable. Tres patas metálicas los transistores - colector, base y emisor - controlan el flujo de electrones y determinan si la c
NAND puerta lógica utilizando circuito Scribe

NAND puerta lógica utilizando circuito Scribe

Electroninks nos muestra cómo crear una puerta y lógica utilizando CircuitScribe. Me gustaría añadir a esto con un Instructable replicar mi favorita lógica – puertas NAND. Estos son mis favoritos circuitos de lógica, simplemente por el hecho de que c
Circuito de Escribano no puerta lógica

Circuito de Escribano no puerta lógica

Una puerta de lógica no utilizando el circuito Escriba dev kitPaso 1: Lo que usted necesita-Es necesario:Pluma de tinta conductoraRegla de la componente magnética de Electroninks (la cosa de plástico transparente con agujeros)Una superficie no conduc
Construir una puerta y de los transistores

Construir una puerta y de los transistores

En esta guía te mostrará cómo construir una puerta y con dos transistores NPN.Haciendo referencia a la imagen de arriba, vemos que el transistor tiene tres 3 pins. Un colector (C), base (B) y emisor (E). Funcionalmente, el transistor actúa como un in
Puertas lógicas - y y o

Puertas lógicas - y y o

La base de construir cualquier circuito lógico (incluso uno tan complejo como una computadora) trata de puertas lógicas. A discutir las 2 más básicas puertas lógicas hoy y una puerta y una puerta OR.Las puertas lógicas son circuitos físicos que imple
Abrir su puerta de garaje con tu ANDROID!

Abrir su puerta de garaje con tu ANDROID!

Por lo tanto, cuento largo, vivo en una casa con 5 coches y 2 puertas de garaje. Esto ha demostrado para ser un poco de un problema durante años, mientras hurgaba entre mis padres cajón de electrónica, que me encontré con un "núcleo de la chispa"
Sonda lógica de Transistor dos

Sonda lógica de Transistor dos

Esto tiene que ser la punta de prueba lógica práctica más simple que se puede construir. A lo más consiste en dos transistores (uno NPN y un PNP) tres resistores y dos LED. Pueden caber en el más pequeño de plumas. No hay ninguna manera de distinguir
Circuitos y puertas lógicas simples

Circuitos y puertas lógicas simples

Las puertas lógicas son algunos de los bloques de edificio básicos de circuitos de lógica digital. En este Instructable hablamos sobre algunos de los más sencillos de estos dispositivos y ver algunas de las divertidas cosas que puedes hacer con ellos
Tutorial de cadencia: Silicio las puertas lógicas (Iowa estado Universidad EE330 laboratorio 4)

Tutorial de cadencia: Silicio las puertas lógicas (Iowa estado Universidad EE330 laboratorio 4)

la aparición de la electrónica ha revolucionado muchos aspectos de nuestra vida cotidiana. Electrónica se utilizan en o utilizada para crear casi todos los productos comprados hoy. Si es la electrónica que el más nuevo sistema de juego de video o los
Cómo tomar fotografías analógicas con un monitor crt

Cómo tomar fotografías analógicas con un monitor crt

esto no es una broma!!! Realmente puede tomar imágenes analógicas con cualquier monitor crt vieja! No hay ningún complicado cableado requerido, esta conversión literalmente le llevará 5 minutos! Sólo tienes que seguir tesis eazes instuctables para ha