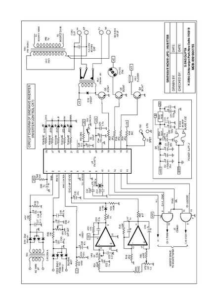
Pic16f72 uso de inversor de onda sinusoidal pura sin derivación central de transformador y sin transformador de HV (1 / 4 paso)

Paso 1: Sección Micro controlador

Si quieres lcd en lugar de leds, debe reemplazar pic16f72 pic16f73 y siga lcd cableado pdf circuito todos son iguales.

Artículos Relacionados

Adaptable 12Vcc/220VCA inversor de onda sinusoidal pura

Adaptable 12Vcc/220VCA inversor de onda sinusoidal pura

aquí es un inversor de onda sinusoidal pura muy simple basado en el microntoller "PIC 16F628A", "no flipar!", NO no es difícil de utilizar microntollers, realmente no podría ser más fácil que esto.Para quienes preguntan, sí diseñado el
Inversor de onda sinusoidal pura

Inversor de onda sinusoidal pura

Mi investigaciónPaso 1: Inversor de onda sinusoidal pura usando el atmel attiny 13 y IR2110 mosfet driverSe trata de mi inversor de onda sinusoidal pura. Funciona muy bien con todo tipo de aparatos electrónicos sensibles como televisores, máquinas de
Inversor de onda sinusoidal pura con microcontrolador pic

Inversor de onda sinusoidal pura con microcontrolador pic

Inversor de onda sinusoidal pura con microcontrolador pic está diseñado en este proyecto. Núcleo de ferrita o chopper en onda sinusoidal pura inversor está diseñado en este proyecto. Hay dos partes principales de este proyecto1.convertidor de DC a DC
INVERSOR de onda sinusoidal pura con LED y LCD

INVERSOR de onda sinusoidal pura con LED y LCD

La PCB del inverter es fácil de montar siguiendo la etiqueta de los componentes que se insertará. La elección de la tensión que se utilizará para alimentar el inversor desde 12v a 48v depende de kva que está diseñando. para cualquier configuración, u
1000W modificado Inversor de onda sinusoidal con pic microconttoller

1000W modificado Inversor de onda sinusoidal con pic microconttoller

Aquí está un diagrama del circuito de 1000W modificado Inversor de onda sinusoidal. Este inversor de onda sinusoidal modificada está diseñado utilizando el microcontrolador PIC16F877A. MOFET driver 1R2210 se utiliza para MOSFETs conectados al transfo
Completa de inversor onda senoidal pura

Completa de inversor onda senoidal pura

inversor de onda sinusoidal pura completaPaso 1: introducciónLa PCB del inverter es fácil de montar siguiendo la etiqueta de los componentes que se insertará. La elección de la tensión que se utilizará para alimentar el inversor desde 12v hasta 96v d
Generador de señal de onda sinusoidal modificada.

Generador de señal de onda sinusoidal modificada.

Debido a un desplome de la computadora y archivos perdidos que he tenido que rehacer este proyecto.Me inspiré para diseñar este circuito por trece, 2 mil vatios, inversor de potencia industrial de circuitos; He comprado por diez dólares. Tomé un circ
Circuito de inversor sinusoidal pura

Circuito de inversor sinusoidal pura

TABLERO DEL CONDUCTOR SINUSOIDAL PURA INVERSOR UTILIZANDO EGS002Circuito de inversor sinusoidal pura con ningún grifo para diseño de centro se ha convertido en simple mediante EGS002 inversor Sinusoidal tarjeta de conductor o tarjeta. Este post se da
0-40 Mhz, generador de onda sinusoidal para $25.

0-40 Mhz, generador de onda sinusoidal para $25.

Recientemente algunas placas muy baratos ($4-6) han ido llegando de china que contiene un chip conocido como el AD9850 que es un generador de onda sinusoidal de síntesis Digital directa.Con sólo 4 cables de control podemos controlar la Junta a través
Generador de onda sinusoidal simple con Mini Pro

Generador de onda sinusoidal simple con Mini Pro

Este instructable muestra cómo para:1. programar Arduino Pro Mini (ATMega328P) con placa de Arduino Uno sin quitar el chip ATMega2. generar una onda senoidal pura con frecuencia fija y componentes mínimos.Descargo de responsabilidad: Código utilizado
1500 Watts de prototipado sinusoidal pura inversor dirigido por generador de la C.C.

1500 Watts de prototipado sinusoidal pura inversor dirigido por generador de la C.C.

Al finalizar, su voluntad poder ejecutar cargas inductivas y resistivas y mantuvo el costo de funcionamiento es depende del ciclo de vida de la batería y el motor dc. Voluntad sigue el lectura corta a menos que considere necesario.Este instructivo co
Herramientas para uso con propano tanque de fundición (sin soldadura)

Herramientas para uso con propano tanque de fundición (sin soldadura)

Durante mi construcción de una fundición de aluminio de fusión decidí hacer algunas herramientas que necesitaría para ayudarme durante el proceso de fusión. Tuve algunos artículos basura ahí que pensé sería de alguna utilidad y hubo algunos que tuve
Cómo conseguir ondas de playa (sin calor)

Cómo conseguir ondas de playa (sin calor)

¿estás cansado de tener el mismo todos los días peinados? Bueno tengo la solución a con un tutorial de pelo de onda Playa Linda. Las olas de la playa son perfectas para cualquier ocasión.Paso 1: Hay algunas cosas que necesitas para este tutorial. Lo
Transformar un 300W inversor mini DC/AC de onda senoidal a un monstruo de 5000W

Transformar un 300W inversor mini DC/AC de onda senoidal a un monstruo de 5000W

planeaba construir un inversor de onda sinusoidal de microcontrolador PIC y mientras navega por internet para comprar los artículos necesarios consiguió a través de este pequeño 300w listo hecho inversor de onda sinusoidal pura que costaría menos de