



Al finalizar, su voluntad poder ejecutar cargas inductivas y resistivas y mantuvo el costo de funcionamiento es depende del ciclo de vida de la batería y el motor dc. Voluntad sigue el lectura corta a menos que considere necesario.
Este instructivo contiene de 3 partes.
Parte 1 - el inversor
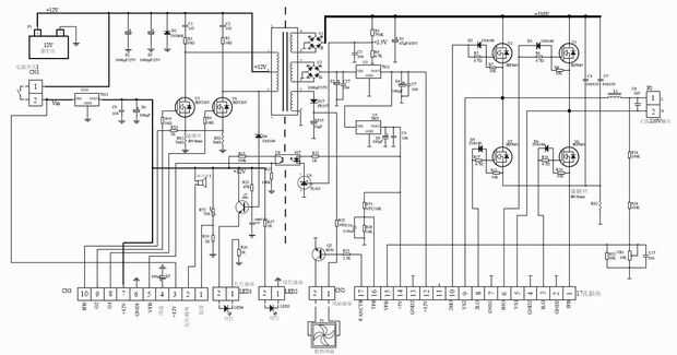
Paso 1 - el esquema
Paso 2 - el diseño de componentes y la conexión de la pista de cobre
Paso 3 - utilizada 4pcs tamaño de pcb de prototipo 9 x 15 cm. actualización en 22 de agosto de 2015
Paso 4 - Montaje del PWB y soldadura. Actualización en 01 de septiembre de 2015
... Paso a paso...
Parte 2 - el generador de la C.C.
... Paso a paso...
Parte 3 - Asamblea o instalación y Misc.
... Paso a paso...
A ayudas y sugerencias de aquellos que tienen conocimientos para hacer este instructable frutal es muy apreciado.
ACTUALIZACIÓN
03 de agosto de 2015 - actualización de la imagen de portada con PNG formato a reemplazado paso 1 falta conexión en formato JPG.













