Paso 7: Añadir electrónica






















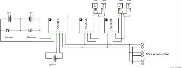
Con el marco montado y el encapsulado de vidrio, el panel puede equiparse con toda la electrónica. Yo ahora mismo no tengo una batería de plomo, así que todo será cable al mismo puerto. Cuando se utiliza una batería, se vuelva a conectar todos los alambres de que la manera el esquema está aquí.
Hay algunas piezas en el panel. Los convertidores de 5V permiten usb dispositivos como smartphones y Arduinos para ser alimentado y cargado desde el panel. Los conectores de 12V se pueden utilizar para todo lo que se alimenta del alumbrador del cigarrillo del coche (como mi cargador LiPo)
Controlador de carga
Encontrar un buen lugar para el controlador de carga y monta. No tenía ninguna madera para montar en, usé unos soportes y un pedazo de madera para crear espacio.
Cableado y diodos
La primera cosa a hacer es conectar el panel. Use por lo menos 0, 75mm ^ 2 cables si tienes 5A como yo. Medir las lengüetas del bus y cables de la soldadura lo suficiente para alcanzar el regulador de carga. En el lado con ningún regulador de carga, utilice pedazos de alambre flexible para salvar la parte plegable. En esta etapa también la soldadura en los diodos. Estos diodos puenteará la electricidad si no está produciendo un panel, pero el otro es. De esta forma podría cobrar cosas con solamente un lado del panel al sol. Sellen todos los cables con cinta adhesiva.
Cosas de 12V
Porque no tengo una batería, tengo que hacer mi propia 12V. He utilizado un convertidor DC-DC que tuve de la torreta para crear los 12V de la 20V que viene desde el panel. Proporciona máximo 6A, y se encuentra realmente de 13.5V, por lo que es de la potencia máxima capaz de venir desde los conectores de 12V 80W. Esto es suficiente para mi cargador de LiPo de 50W y tal vez incluso una nevera pequeña de 12V.
Tengo un divisor de 12V para uso en un coche para mi 3 conectores. Simplemente corte del conector y cable para el convertidor DC-DC.
Cosas de 5V
Hay convertidores de DC-DC de 5V (inicialmente 3) 2 en el panel. Estos se conectan a puertos usb soldados en una pieza del tablero de circuito experimental de tal manera que hay 1 Convertidor para cada 2 puertos usb. Los convertidores DC-DC son 5V 3A y puede convertir a 22V, lo suficiente para la tensión del panel crudo. Ser muy consciente de que este material cae bajo control de calidad de China. Los adhesivos fueron la manera incorrecta alrededor de la mitad del tiempo. Mira el color del cable para determinar lo que es la entrada y salida.