Paso 10: Conectar el Motor al conductor





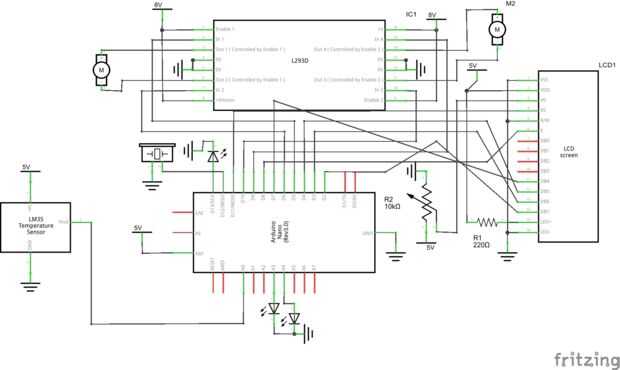
Conectar los motores al IC soldando algunos encabezados masculinos al ic. La razón de por qué he añadido cabeceras era cambiar fácilmente los cables en caso de que conecté mal. Para comprobar la polaridad de los motores, conectarlos a una batería de cualquier manera. Si gira hacia la derecha, significa que la polaridad es el mismo como se conecta la batería y viceversa.
Conecte el positivo del motor adecuado al pin 3 y negativo al pin 6. Conecte el positivo del motor izquierdo al pin 11 y negativo al pin 14. Asegúrese de que se conectan de la manera correcta.