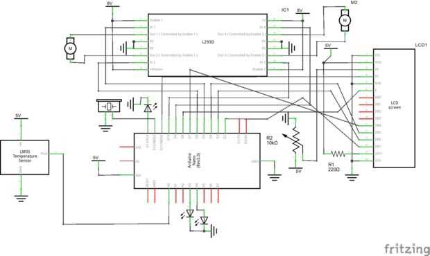
Paso 12: Conecte las luces traseras





Esto también es una repetición de la versión anterior. Agregando sólo luces delanteras, hace el robot mira incompleta para que dos LEDs rojos fueron conectados en la parte trasera que se ven bastante bonitos cuando encienda por la noche.
Conectar dos LEDs rojos en paralelo y luego conecte el terminal positivo al Arduino pin A4. Por último, conecte el terminal negativo a Arduino GND. pegarlo en su lugar con pegamento caliente.