Paso 11: Conecta las luces delanteras






Como la versión anterior, ésta también tiene LEDs que aumentan el aspecto de robot. Mientras que la versión anterior utilizada, LEDs de 5mm que tenía un objetivo, éste utiliza domo LEDs que transmitirle su luz sobre un área grande. Estos LEDs también ayudan a mirar a través de la cámara cuando el robot se mueve en la oscuridad.
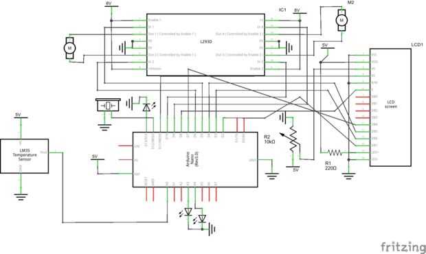
Conecte dos LEDs blancos en paralelo y la soldadura de dos cables, el positivo uno conectado al Arduino pin A3 y el negativo conectado a GND de Arduino. fijarlo usando gule caliente.