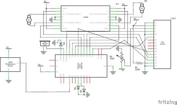
Paso 13: Conecte las luces de neón






Luces de neón siempre verse bien en los coches cuando brillan en la luz. Este fue un intento de añadir luces LED azules que actúan como luces de neón y aumentar el aspecto de robot. Basta con mirar llano impresionante cuando se enciende por la noche. Hace la planta resplandor, así que se ve maravillosa.
Como hecho en los dos pasos anteriores, conectarlos en paralelo también. Conecte el positivo terminal pin Arduino D13 y negativo a GND de Arduino. Finalmente fijarlas en su lugar usando pegamento caliente como se muestra en la foto de arriba. Asegúrese de que la luz cae sobre la base de que el robot se movería.