Paso 7: Tablero de regulación de energía




La pantalla que he diseñado para esto corre de NeoPixels (WS2812B LED). Es una manera fácil de crear una simple pantalla de encargo y he utilizado en muchos otros proyectos. Son muy felices ejecutar fuera de 5v y eso es exactamente lo que haremos aquí. Son, sin embargo, la energía demasiado hambrientos para ser accionado por el regulador integrado de Arduino, así que tenemos que construir un circuito de regulación de voltaje independiente a ejecutar en paralelo.
Requisitos de alimentación
Utilizando pautas de Adafruit asumimos una corriente máxima de 20mA por color. LEDs RGB tienen 3 colores dando una corriente total de 60mA por LED. Este proyecto utiliza 34 píxeles para dar un total máximo de corriente de 34 * 60 mA = 2.040 mA. No utilizaremos junto a la tanto en este proyecto como que no marquen el brillo al máximo y sólo utilizaremos un color a la vez. Como se verá más adelante en mi código sólo usamos colores verde y rojo y no mezclarlos en cualquier LED dado al mismo tiempo. Por lo que podemos suponer, por tanto, cada LED consume aproximadamente 20 mA cuando está encendida. También definir el máximo brillo como 150 de 255, aunque esto no es lineal en el consumo de corriente he observado en el pasado que un brillo de 150 generalmente consumirá un 70% del máximo. Así que ahora estamos hasta 20mA * 0.70 = 14mA por LED.
Tomamos el supuesto conservador de que necesitamos darle energía suponiendo que todos los LEDs se encienden (nunca el software permiten a encender) al mismo tiempo que nos da 14mA por LED * 34 LEDs = 476mA. Esto es una cantidad mucho más manejable pero demasiado impuesto Regulador integrado de Arduino con (500mA). Pero es una aplicación que podemos manejar fácilmente con un regulador de voltaje lineal LM7805 con sin disipador de calor adicional necesaria. El LM7805 con seguridad puede disipar 2W bajo condiciones normales y el cálculo es simple. (Voltaje - voltaje regulado de entrada) * corriente en amperios = vatios a disipar. En nuestro caso tenemos una fuente de 9v, 5v regulados con un 476 sorteo mA. So... (9v - 5v) * 0.476 A = 1.9W.
La electrónica restantes en el proyecto es todos muy mínimo de corriente y un origen por el bus de 5v de Arduino.
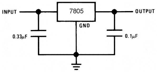
Configuración del LM7805
Debido a mi ignorancia he intentado configurar el LM7805 por sólo suministro de 9 voltios en tierra y sacar los 5 voltios directamente a mi carga. Mientras que mi multimetro dijo que todo era bueno con esta configuración y estaba consiguiendo un agradable, limpio 5 voltios hacia fuera tan pronto como pondría cualquier carga en el sistema de la fuente de 5 voltios fallaban y se comportan erráticamente. Después de una rápida investigación en línea encontré que necesitaba suavizar condensadores a ambos lados de la tensión de entrada y salida. La pajina encontre llama para un casquillo de cerámica 0,33 micro faradio entre 9v y GND y un condensador de cerámica de 0.1 micro faradio entre 5v y masa. Con esos dos en su lugar el regulador trabajado maravillosamente.
Otros componentes de la placa
Hay un gran condensador electrolítico en la junta entre 5v y GND para suavizar la potencia va a la NeoPixels. Adafruit recomienda un 1000 micro faradio cap aquí, pero dado sólo tienen una pequeña cantidad de píxeles aquí fui con algo mucho más pequeño ya que tengo muchos otros proyectos. Creo que este es un cap de 47 micro faradio y me ha funcionado muy bien.
Hay tres conjuntos de pernos que también verá aquí. El primer conjunto en la parte inferior izquierda es simplemente una entrada de VBAT y GND que suministran el voltaje de entrada (9v) y toma de tierra para el LM7805. El siguiente conjunto es mitad inferior y es un solo perno, este toma la señal de datos desde Arduino pin 22 y simplemente actos a lo largo de pasar a nuestro siguiente juego de pernos. El tercer conjunto de pines (media superior) es de 5v (de LM7805), GND (común) y datos (de pin único descrito) y esto sirve como una parada de tres polos por que conectar el NeoPixels de la pantalla como que todo estamos abotonarse el montaje final.
Hay algunos cables funcionando en la parte inferior de la Junta aquí que usted no puede ver sino con el diagrama de Fritzing está claro cómo todos estos están conectados a.