Paso 2: Montar el circuito de prueba








Antes de empezar a construir las torres, recomiendo montar todo el circuito (incluyendo LEDs) en un protoboard y probarlo. De esa manera no conseguirás una sorpresas desagradables cuando construyes todo y algo no funciona. El circuito de "prueba" utiliza un potenciómetro (que forma un divisor de tensión) como la entrada en lugar de una señal de audio analógica. Este paso es sólo instrucciones de montaje - si quiere aprender cómo funciona el circuito, vea el siguiente paso.
Si estás acostumbrado a trabajar con breadboards, probablemente sólo puede seguir el primer diagrama protoboard para armar todo. Si no, siga estas instrucciones paso a paso para tomar las cosas a pocos componentes en un momento (y aquí hay un tutorial sobre el uso de un protoboard si eso ayuda).
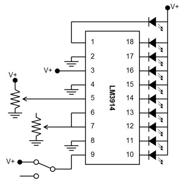
Si puede leer diagramas de circuitos (aquí es un buen tutorial para aprender y un artículo de Wikipedia con todos los símbolos comunes), la segunda imagen muestra el diagrama de un LM3914, así que usted puede duplicar que conectar ambos (tenga en cuenta que el potenciómetro de entrada analógico y el interruptor SPDT son compartidos entre los dos LM3914 en el protoboard Considerando que cada uno tiene su propio bote conectado a los pines 6 y 7).
También he incluido una foto del circuito - Note cómo los LEDs son realmente demasiado grandes para ser todos juntos aplastado, así que tienes que doblar las puntas hacia los lados un poco.
Instrucciones paso a paso
- Poner los principales componentes en el protoboard.
- Inserte un LM3914 para puentes el boquete en medio de la placa, de filas 2-10. Los pernos deben ir en las columnas E y f el. La marca de medio círculo pequeño en el paquete debe ir hacia arriba (hacia la fila 1).
- Inserte el LM3914 segunda filas 17-25.
- Inserte los pernos del primer potenciómetro C12, C13 y C14.
- Inserte los pernos del segundo potenciómetro H12, H13 y H14.
- Inserte pernos del tercer potenciómetro D27 y D28 D29.
- Inserte pernos de interruptor H27 y H28 H29.
- A3 a GND
- A4 a V +
- A5 a GND
- A9 a GND
- A14 a GND
- A18 a GND
- A19 a V +
- A20 a GND
- A24 a GND
- A27 a GND
- A29 a GND
- J14 a GND
- J29 a V +
- Asegúrese de conectar el bus de V + en el lado izquierdo de la placa al lado derecho y hacer lo mismo por tierra.
- D2 a la F1
- B6 a A28
- C7 a C8
- B8 a A13
- D10 a C25
- D17 a la F1
- B21 a B28
- A23 a F13
- C22 a C23
- E25 a F28
- El ánodo (cable largo) de cada LED debe ir al bus de V + a la derecha de la placa.
- Los cátodos (corto conduce) de los LEDs IR en filas 1-10 para el LM3914 superior.
- Los cátodos de los LEDs IR en filas 16-25 para la parte inferior LM3914.
- Conecte el cable rojo de la batería al bus positivo.
- Conecte la batería negra al negativo bus.